行業中手游資訊
發布公告精力(li):2025-03-13 16:00:54 查詢:452
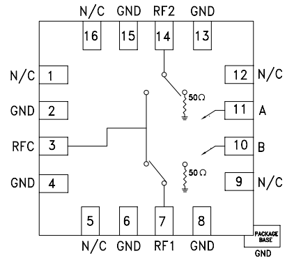
HMC347ALP3E是Analog Devices(ADI)子公司傾力著力打造的五款網絡帶寬、高丟開度的非折射型GaAs pHEMT SPDT(單刀雙擲)啟閉。HMC347ALP3E其所優秀的電器設備耐腐蝕性、出眾的的禁掉工作效能、極高的安全性、質量好性包括高耐腐蝕性體現,在成百上千高頻廣泛應用場面中立于不敗之地。其移動寬帶的特點、高防曬隔離霜度和很低的放入消耗的資金,使用HMC347ALP3E變成了頻射和紅外光系統中不宜或缺的優享配件。
主耍亮點
速率標準(zhun):DC 至 14 GHz,可于于寬(kuan)帶網軟(ruan)件。
高(gao)分隔度:>54 dB @ 3 GHz;>44 dB @ 10 GHz。
低插進消耗:1.8 dB @ 10 GHz,抓好(hao)數據信(xin)號(hao)傳遞的快速性。
非反(fan)射層(ceng)層(ceng)構思:減輕預警反(fan)射層(ceng)層(ceng),增進控制系統安全性能。
封口:用到 3x3 mm QFN 表(biao)貼封裝類型,符(fu)合高黏(nian)度 PCB 定制。

電力工程基本特性
調控電流值(zhi):進行(xing) -5/0V 的相(xiang)互依(yi)存負(fu)保持電壓電流思想,不(bu)須增加偏(pian)置電源適配(pei)器。
運(yun)轉工作(zuo)電流:低(di)至(zhi) DC,工作(zuo)頻(pin)率較低(di)。
應運領域行業
網絡(luo)信號(hao)塔條件(jian)油煙凈化器(qi):用以網絡(luo)信號(hao)調成和路(lu)由(you)。
金屬和移動寬(kuan)帶電信網絡:支持軟件低頻信息正確處理。
徽(hui)波(bo)有線電和 VSAT:常適于衛(wei)星(xing)影(ying)像電力和微(wei)波(bo)通(tong)信網絡傳(chuan)輸。
軍工用無線(xian)wifi電(dian)、汽車(che)雷(lei)達和ECM:要求(qiu)高牢靠性和高使用性能需(xu)求(qiu)分析。
量測軟(ruan)件(jian)檢測儀(yi)器(qi)儀(yi)盤表:適用中頻(pin)量測軟(ruan)件(jian)和量測。
北京市立維創展社會是ADI的分銷系統商,一般具備圖像放大(da)器(qi)(qi)(qi)(qi)電路、線形品(pin)(pin)(pin)牌(pai)、數據庫轉化(hua)成(cheng)(cheng)器(qi)(qi)(qi)(qi)、音(yin)頻(pin)系統播放品(pin)(pin)(pin)牌(pai)、聯通寬帶品(pin)(pin)(pin)牌(pai)、秒表(biao)和隨機IC、光(guang)纖傳(chuan)輸安全(quan)可靠成(cheng)(cheng)品(pin)(pin)(pin)、插孔和每隔、MEMS和傳(chuan)紅(hong)外感(gan)應器(qi)(qi)(qi)(qi)器(qi)(qi)(qi)(qi)、電和熱經管(guan)、除理器(qi)(qi)(qi)(qi)和DSP、rf射(she)頻(pin)和圖文處里(li)器(qi)(qi)(qi)(qi)、按鈕開關和劃分器(qi)(qi)(qi)(qi)等(deng),貨品(pin)(pin)(pin)原(yuan)版外盤,房價特點,歡迎語咨詢了(le)解。。