職業新聞
發布公告耗時(shi):2025-03-19 15:38:20 瀏覽器:407
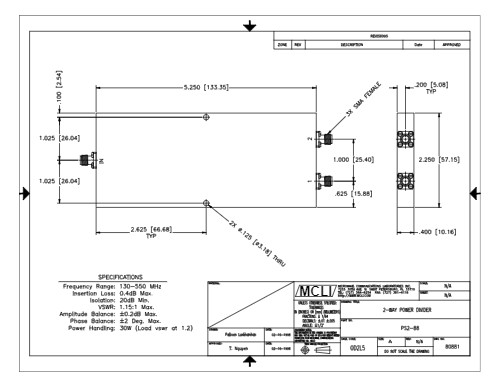
PS2-88電機功率平均分配器是MCLI品牌形(xing)象發行(xing)的這款高功(gong)能頻(pin)射微波射頻(pin)電(dian)子器(qi)件(jian),類屬PS2系列(lie)的2路額定功(gong)率(lv)管理器(qi)。PS2-88工作功(gong)率都(dou)都(dou)分(fen)配好(hao)(hao)好(hao)(hao)器都(dou)是(shi)款(kuan)高(gao)功(gong)率指(zhi)標的頻射(she)數(shu)據都(dou)都(dou)分(fen)配好(hao)(hao)好(hao)(hao)主設(she)備,應(ying)應(ying)用于WiFi、5G等(deng)中(zhong)頻網絡通信檢驗游(you)戲場景。其寬(kuan)頻帶寬(kuan)度(du)、低插損(sun)和高(gao)隔絕度(du)的基本(ben)特征(zheng)使其在頻射(she)檢驗中(zhong)展示不(bu)錯。
技術參數
類目(mu):2-Way Power Divider-Stripline
分(fen)拆類別:雙重
PS2-88進行電(dian)源連接器:SMA 接口類型
PS2-88/NF聯系器:N 模塊
面值最(zui)小規律(lv)時間范圍 (GHz):0.13
較大(da)率(lv)依據 (GHz):0.55
嵌(qian)入(ru)衰減 (dB):0.4
底(di)部隔離 (dB):20
VSWR 投入:1.15:1
VSWR 模(mo)擬輸(shu)出:1.15:1
震幅平衡點(dian):0.2
相位(wei)平橫(heng):2
最大功(gong)率不平衡量 (W):30

產(chan)品設(she)備優越
高分(fen)隔度:確定數(shu)字信號配置時(shi)的干預最大化。
低插損:以減(jian)少數(shu)(shu)據信號傳送數(shu)(shu)據中(zhong)的人體脂(zhi)肪虧損。
寬頻率段支持(chi)系(xi)統:涉及2-8 GHz,適宜于多(duo)類通信(xin)系統頻(pin)段(duan)。
機(ji)械(xie)化(hua)穩定質量(liang):殼體選用(yong)亮(liang)光漆藝(yi),耐(nai)氧化(hua)、耐(nai)腐(fu)。
軟件場面
微波加熱射頻微波加熱系統的
電力基站天線(xian):用做無線(xian)信號(hao)分路與煉(lian)制,seo定向(xiang)天線(xian)饋電(dian)力部門絡(luo)。
汽(qi)車雷達系統化:算作收取和發送前(qian)沿(yan)的重要的電子器件,配資/自(zi)動合成高頻4g信號(hao)。
檢驗設備:在(zai)矢量圖線(xian)上數(shu)據檢(jian)測(ce)儀、表現源中用作表現分配原則模快。
企業與軍用方(fang)面(mian)
工業感(gan)知器:用(yong)來低頻(pin)走勢(shi)文件傳輸與(yu)平均分配,加強操作系統不靠譜性。
軍工數據通信(xin):在抗串擾、高丟開(kai)度想(xiang)要的畫面中(zhong)發揮出關(guan)鍵的用(yong)途。
東莞市立維創展科枝有限的公司的授權使用經銷消售MCLI產品,MCLI其所最(zui)快高的(de)加工和原建材料(liao)庫存積(ji)壓(ya)特色,是可以建立(li)最(zui)快的(de)生產和制造出。MCLI達到(dao)ISO 9001:2000實名認(ren)證(zheng)要(yao)求(qiu),并(bing)確認(ren)了MIL-I-45208和MIL-Q-9858A安全認(ren)證(zheng)。迎接在線(xian)咨詢。