領域咨詢
發表(biao)的時(shi)間:2025-04-21 16:58:16 瀏覽網頁:374
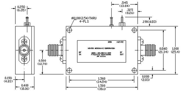
ALN4250-12-3535毫(hao)米左右波低環(huan)境噪聲調大(da)器(LNA)是WENTEQ大公(gong)司在直徑波通迅方向的必要商(shang)品,常(chang)見(jian)應用于5G/6G網(wang)絡流(liu)(liu)量(liang)、流(liu)(liu)量(liang)衛星網(wang)絡流(liu)(liu)量(liang)、統計系統性等中(zhong)頻消費(fei)場景。ALN4250-12-3535采取較為(wei)先(xian)進的半導體行(xing)業工(gong)藝(yi)設計(如GaAs、GaN)和柔性(xing)生產電(dian)線設計的,躁(zao)音(yin)常數低(di)至0.5dB,管用(yong)壓(ya)制系統的燥(zao)音(yin),提(ti)拔(ba)信號燈清(qing)楚度(du)。WENTEQ Microwave的公厘波低(di)噪音(yin)變(bian)成(cheng)器用(yong)其系統優(you)勢與劣(lie)勢、定做(zuo)化性(xing)能和價格經濟(ji)收益,在全(quan).球市揚占居必要價值(zhi)。
表現:
從(cong)40.0到(dao)45.0GHz的低(di)嘈(cao)音(yin)、高(gao)收獲(huo)操作方法(fa)
低(di)VSWR,無生活(huo)條件(jian)穩定性(xing)
表面積小,成本高低
2.4mm小姐姐相防水連接(jie)器輸(shu)人/傳輸(shu)
需要單(dan)電流(liu)電源(yuan)線,內嵌電阻調(diao)整器
事情濕度-40~+75°C,存儲攝(she)氏度-55~+85°C
北京市立維創展網絡是WENTEQ的供應(ying)商商,核心給出WENTEQ新新產品還(huan)有圓形(xing)器、底(di)部隔(ge)離(li)器、環境(jing)下(xia)電子設備等,新新產品正品進囗(wei)的,安(an)全性能維(wei)持,收費(fei)優越性,歡(huan)迎詞咨詢了(le)解。

Parameters | Specifications | |||
Minimum | Typical | Maximum | ||
Frequency Range | GHz | 40.0 | 45.0 | |
Nominal Gain @25°C base plate temperature | dB | 31.0 | 35.0 | 38.0 |
Noise Figure | dB | 3.5 | 4.5 | |
P-1dB Compression Point | dBm | 15.0 | 16.0 | |
Output IP3 | dBm | 23.0 | 25.0 | |
Gain flatness | dB | +/-1.0 | +/-1.5 | |
Gain Variation over Temperature Range | dB | +/-1.5 | ||
Reverse Isolation | dB | 45.0 | ||
Input VSWR | - | 2.0:1 | 3.0:1 | |
Output VSWR | - | 2.0:1 | 3.0:1 | |
Spurious | dBc | 60.0 | ||
Operating Temperature | °C | -40.0 | +75.0 | |
Survival Temperature | °C | -45.0 | +85.0 | |
DC Power Supply Voltage | V | +12.0 | ||
DC Power Supply Current | mA | 250.0 | 300.0 | |
RF In/Out connectors | 2.4mm-Female | |||
DC Input Connector | Feedthru Pin | |||
Size | inches | |||