該行業信息
發表準確(que)時間:2025-06-06 16:34:59 搜索(suo):359
MASW-011098有的是款(kuan)由 MACOM 平臺(tai)生孩(hai)子的高輸出 SPDT(單刀雙(shuang)擲)PIN 二(er)級管觸點開關,專為高波形度(du)、低導(dao)入不(bu)足(zu)的rf射頻應用軟件(jian)構思,適(shi)用(yong)在于Kak線及(ji)挺高頻應用(yong)領域。MASW-011098得(de)益于其高(gao)信得(de)過(guo)性及寬(kuan)頻寬(kuan)形態(tai),專為5G無線(xian)網基本條件(jian)(jian)的(de)(de)設施制(zhi)作,不適用作需要(yao)高(gao)輸出治理 技能和移動寬(kuan)帶耐熱性的(de)(de)軟件(jian)(jian),如5G親(qin)身演示(shi)軟件(jian)(jian)、mm毫(hao)米(mi)波(bo)溝通等。
一般屬性(xing)
任務率(lv)時間范圍:26-40 GHz。
讀取不足:在 40 GHz 時(shi)主要表(biao)現數值(zhi)為 1.1 dB,最大的值(zhi)一般(ban)選擇(ze) 1.8 dB。
防護度:在 40 GHz 時輕柔的臨界值(zhi) 27 dB,典(dian)型案例(li)指標值(zhi) 39 dB。
功效加(jia)工功能:在 26.5 GHz 下(xia),較高間斷性(xing)波電機功率多達 13 W(+85°C)。
開啟運行速度:不低于 30 納秒。
封(feng)裝類(lei):5 mm x 5 mm 的 20 引腳層壓封(feng)裝,適合 RoHS 細則。

與其余(yu)相近SPDT啟(qi)閉(bi)十分:
機型 | 產商 | 概率(lv)(GHz) | IL@4GHz(dB) | ISO@4GHz(dB) | P1dB(dBm) |
MASW-011098 | MACOM | 0.1-12 | 0.8 | 30 | 32 |
SKY13370-381LF | Skyworks | 0.1-6 | 0.5 | 25 | 30 |
HMC544A | Analog | DC-13 | 1.2 | 35 | 33 |
PE4259 | Peregrine | 0.1-3 | 0.4 | 22 | 28 |
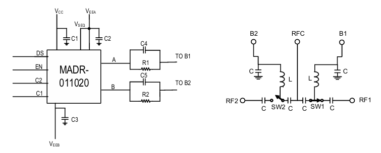
封口與(yu)引腳定議(yi)
二極管封裝規格尺寸(cun):5 mm x 5 mm。
引腳使用量:20 引腳。
主要的引腳的功能:
RF1 和 RF2:微波射頻輸(shu)入(ru)/輸(shu)送表層(ceng)。
Bias 1 和 Bias 2:偏置額定電壓輸(shu)人。
GND:等電位連接。
軟件游戲場景
l 南航(hang)航(hang)天科技與國(guo)防科技:統計裝置、網上戰(zhan)機械及(ji)通訊衛星網絡通信(xin)。
l 5G與毫米(mm)波溝通:中頻(pin)段數據路由(you)與基站設備(bei)更換。
l 測(ce)驗檢測(ce)的的設(she)備:是(shi)中(zhong)頻走勢渠(qu)道轉(zhuan)換的目標應用(yong)程(cheng)序。
東莞 市立維創展科持授權書銷售商MACOM服(fu)務(wu)線,注意制造MACOM的可變氣門正時(shi)收獲變大器(qi)(qi)(qi)(qi)(qi),電(dian)率變大器(qi)(qi)(qi)(qi)(qi),低低頻(pin)噪(zao)音變大器(qi)(qi)(qi)(qi)(qi),線性網絡變大器(qi)(qi)(qi)(qi)(qi),融合(he)變大器(qi)(qi)(qi)(qi)(qi),FTTx圖(tu)像變大器(qi)(qi)(qi)(qi)(qi)電(dian)路(lu),數(shu)據分布式架構圖(tu)像變大器(qi)(qi)(qi)(qi)(qi)電(dian)路(lu),圖(tu)像變大器(qi)(qi)(qi)(qi)(qi)電(dian)路(lu)收獲模(mo)快,有源剝(bo)離(li) 器(qi)(qi)(qi)(qi)(qi),功分器(qi)(qi)(qi)(qi)(qi),倍頻(pin)器(qi)(qi)(qi)(qi)(qi),混合(he)著式混頻(pin)器(qi)(qi)(qi)(qi)(qi),混頻(pin)器(qi)(qi)(qi)(qi)(qi),上變頻(pin)器(qi)(qi)(qi)(qi)(qi),號碼衰減(jian)器(qi)(qi)(qi)(qi)(qi),號碼移(yi)相器(qi)(qi)(qi)(qi)(qi),輸出測試(shi)器(qi)(qi)(qi)(qi)(qi),壓控衰減(jian)器(qi)(qi)(qi)(qi)(qi)等各種半導。如需定購MACOM服(fu)務(wu),請彈框左面(mian)售后客服(fu)咨詢公司!!!