市場方式
上(shang)線準確時間(jian):2025-06-11 16:31:27 查詢:375
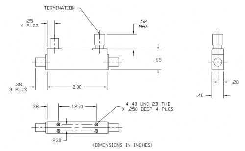
KRYTAR解耦器101040013/101040013K怎強(qiang)了好借款用途帶狀線開發的選擇,其采(cai)用(yong)了分(fen)散化(hua)化(hua)、主體(ti)工程輕便式封裝形式,在(zai)1.0至40.0GHz超高頻(pin)(pin)操作(zuo)頻(pin)(pin)段(duan)滿足優異的合(he)體(ti)機(ji)(ji)械特(te)點。機(ji)(ji)械特(te)點上,標稱合(he)體(ti)(較之于轉換)13dB且(qie)變化(hua)±1.0dB,的頻(pin)(pin)率精準(zhun)度±1.2dB;1 - 20GHz插入(ru)表格損耗量(含合(he)體(ti)工率)<1.1dB,20 - 40GHz<1.8dB;1 - 20GHz的專一性>14dB,20 - 40GHz>10dB;1 - 20GHz最(zui)高的VSWR(同樣(yang)服務(wu)器端口(kou))1.5,20 - 40GHz為(wei)1.7;載荷系(xi)數設置瓦數對數正態分(fen)布20W、極(ji)限3kW。人員配備互(hu)聯網行業細則2.4mm母頭接器,二極(ji)管封裝要求2.0×0.40×0.659英寸,重1.3oz,操作(zuo)的室溫(wen)-54°至+85°C,是過寬帶(dai)高耐(nai)熱(re)性的常選。

外形尺寸
更低頻繁 (GHz):1
最多率(GHz):40
標稱梅花聯軸器:13 ±1.0
頻點迅敏度(dB):±1.20
讀取材料耗(hao)費(fei)(dB Max):1-20 GHz,1.1;20-40 GHz,1.80
大專(zhuan)業性(dB Min):1-20 GHz,14;20-40 GHz,10
VSWR(最快(kuai)值):1-20 GHz,1.5;20-40 GHz,1.70
額定負載馬力(W):20
101040013 規范接觸器(母頭):2.4 mm
101040013K細則相(xiang)防水連接器(母頭):2.92 mm
武漢市立維創展科技開發授權管理進口代理KRYTAR產品(pin),方面(mian)型號(hao)常(chang)備現貨(huo)黃金。產品(pin)原放進品(pin)進品(pin),質理 保(bao)障,迎接咨詢了解。。