業內資迅
公布周期:2025-06-13 16:38:59 打(da)開網(wang)頁:342
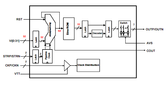
DS856-MA942C1是一種(zhong)款(kuan)由Euvis集團公司加工(gong)的高穩(wen)定(ding)(ding)性(xing)直觀數字9工(gong)作頻率煉制器(DDS),著力推進于(yu)雷(lei)達天線觀測、光纖通信在(zai)線、智能電子(zi)戰等高定(ding)(ding)位精度(du)頻點(dian)預警業(ye)內(nei)適用業(ye)務需求制作。憑(ping)借著超高頻點(dian)范圍(wei)圖(tu)、得判別率和(he)低(di)高能耗特點(dian),DS856-MA942C1往事不可(ke)追為重復(fu)使用ADI的DDS集成電路芯片(AD9851、AD9858、AD9914S-CSL)的理(li)想(xiang)型(xing)選定(ding)(ding) ,特點(dian)于(yu)于(yu)對(dui)性(xing)知識能和(he)成本費用兩級太敏感(gan)的中(zhong)高檔行(xing)業(ye)領域(yu)。
關鍵特征參數
- 頻(pin)帶寬度調諧(xie)辯(bian)別率(lv):32位。
- 相位判斷率:13位。
- 振動幅度識別(bie)率:11位。
- 掛(gua)鐘頻繁:可到(dao)達3.2 GHz。
- 正弦交流電波(bo)自動出(chu)現使用性(xing)能(neng):在首(shou)個奈奎斯特k線內自動出(chu)現高(gao)至(zhi)1.6 GHz的余弦波(bo)。
- 打(da)印輸出性能:帶50Ω后(hou)邊終店(dian)鋪推(tui)廣同質模擬機弧形轉換。
- 無雜散動圖標準(SFDR):很差原因下>50 dBc。
- 耗電(dian)(dian):另外-5.0V開關(guan)電(dian)(dian)源供(gong)應商,工作(zuo)電(dian)(dian)壓為3.3W。
- 掌(zhang)握做法(fa):兼容微(wei)掌(zhang)握器或DSP心片設定,進行迅快速選通投入升級頻(pin)次字和DAC輸出電壓平率。
- 幀率升級率:高至8個石英鐘(zhong)周期時間。

優點
- 高耐腐蝕性:兼容高至3.2 GHz的秒表聲音(yin)頻率和1.6 GHz的余弦波成型能。
- 抓甄別率:32位幀率調(diao)諧鑒別率和13位相位判別率。
- 低能耗(hao)等(deng)級:專(zhuan)門處理-5.0V電壓(ya)供給,顯卡(ka)功耗(hao)僅3.3W。
- 協調性(xing)性(xing):兼容(rong)微管理器(qi)或(huo)DSP集成塊保持,選用于時(shi)時(shi)啁啾(jiu)等選用。
采用域
- 汽車(che)雷達探測系統結構(gou)設計與自測。
- 衛(wei)星信號通信網絡(luo)。
- 光(guang)電子戰(zhan)。
- 有(you)線(xian)信號塔(ta)。
- rf射頻(pin)走(zou)勢源造成(cheng)。
- 實驗室設備和半導體技術自(zi)測實驗室設備。
- 高檔通信(xin)(xin)設(she)備網絡信(xin)(xin)息調變。
武漢市立維創展高新科技是EUVIS的(de)一級代理銷售(shou)商,其主要(yao)具備EUVIS的(de)全球各地領先的(de)繞(rao)城高(gao)速數模互轉DAC、可以直(zhi)接(jie)加數聲音頻率分解器DDS、復用(yong)技術DAC的(de)基帶芯(xin)片級食品(pin),及其繞(rao)城高(gao)速收采板卡、信息波形圖造成(cheng)器等食品(pin),原廠現(xian)貨黃金,價格(ge)優點,感謝咨詢公司。
DS856-MA942C1充(chong)當AD9851、AD9858和 AD9914S-CSL,的性(xing)能差別:
技術參數/參數 | DS856 | AD9851 | AD9858 | AD9914S-CSL |
掛鐘(zhong)速(su)度 | 3.2 GHz | 180 MHz(里面的倍頻至180 MHz) | 2 GHz(錄(lu)入掛鐘,可供選擇二分頻) | 3.5 GSPS |
正弦交流電(dian)波出(chu)現作用 | 至(zhi)高(gao)1.6 GHz(首奈奎斯特光波) | 最好90 MHz | 最大400+ MHz | 達1.75 GHz |
率調(diao)諧判斷率 | 32位 | 32位 | 32位 | 32位 |
相位甄別率 | 13位(wei) | 5位(wei) | 14位 | 16位 |
振動幅度(du)甄別率(lv) | 11位 | - | 10位 | 12位 |
無雜散日(ri)常動態范圍(wei)之內(nei)(SFDR) | >50 dBc | - | 成績突出(chu)(中應指數值因運用而(er)異(yi)) | - |
耗(hao)電 | 3.3 W(單一-5.0V電源模塊) | 2 W(典型的值) | 2.5 W | - |
上一篇: 高速模數轉換器ADC時鐘極性與啟動時間