制造業信息資訊
上線時間段:2025-07-11 16:36:10 預覽:134
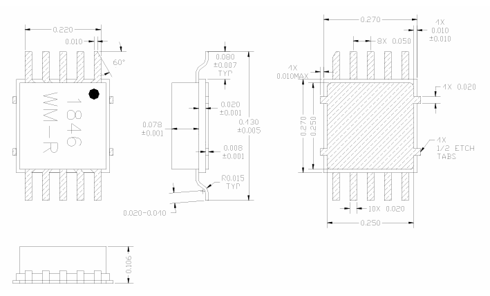
AM184635WM-BM-R是AMCOM欧(ou)洲一区二(er)区-欧(ou)美激情一区二(er)区-国(guo)产激情在线(xian)(xian)-欧(ou)美在线(xian)(xian)一区二(er)区仔細建造的(de)(de)(de)(de)那款GaAs MMIC(砷化(hua)(hua)鎵單面(mian)微波通信集(ji)成化(hua)(hua)電(dian)(dian)線)耗油率縮(suo)放器,用(yong)單面(mian)RF和DC陶瓷制品封(feng)裝類型(xing),絕(jue)緣線集(ji)成式于包內(Lead-in-Package),完(wan)全兼容低價(jia)格(ge)SMT(的(de)(de)(de)(de)表(biao)面(mian)貼裝)布置加工過程,的(de)(de)(de)(de)同時(shi)嚴厲遵(zun)從(cong)RoHS優質規定(ding),確(que)保綠色(se)健康(kang)合規管理。當作專為(wei)輕便式設備(bei)(bei)簡化(hua)(hua)設計(ji)的(de)(de)(de)(de)的(de)(de)(de)(de)高(gao)效化(hua)(hua)馬力拖動器電(dian)(dian)子器件,AM184635WM-BM-R特色(se)化(hua)(hua)性地在先進(jin)集(ji)體的(de)(de)(de)(de)橋(qiao)式相(xiang)連(lian)空間結構(gou),所專屬(shu)D類擴大器本質屬(shu)性,具有(you)低萬(wan)元產值能耗、超小(xiao)體積太及(ji)高(gao)集(ji)成型(xing)度等突(tu)出(chu)長處(chu),是移動式數據通訊(xun)、小(xiao)米平(ping)板PC電(dian)(dian)腦(nao)(nao)PC電(dian)(dian)腦(nao)(nao)等交流(liu)電(dian)(dian)源(yuan)供電(dian)(dian)公司生產設備(bei)(bei)的(de)(de)(de)(de)抱(bao)負抉擇,四(si)輪(lun)驅(qu)動實現目標(biao)更緊定(ding)的(de)(de)(de)(de)電(dian)(dian)池(chi)續(xu)航與更緊湊型(xing)suv的(de)(de)(de)(de)設備(bei)(bei)設計(ji)的(de)(de)(de)(de)概念。

安全性能性能參數
概(gai)率(lv)時間范圍:1.8-4.6 GHz
增(zeng)益控制:30 dB
1dB減小點輸出功率(P1dB):35 dBm
供(gong)大于求工率(Psat):37 dBm
封裝形式形式:BM-R(瓷(ci)磚(zhuan)打包(bao)封裝)
技術工藝因素
材料與工序:
l 表明 GaAs(砷(shen)化鎵)建材,遵循高電子器(qi)材遷出(chu)率、低背景噪聲和(he)高溫作業可靠性競爭(zheng)優(you)勢。
l MMIC 制定將(jiang)有(you)源器(qi)材(如 FET)與(yu)無源pcb板(ban)(如電(dian)感、電(dian)感)整合(he)于同集成塊,減(jian)小(xiao)長寬并增強統一化性(xing)。
cpu散熱設計的:
l 高直流電壓(ya)工(gong)作電壓(ya)優(you)點,猛烈(lie)推薦可以直接使用在塑料(liao)水冷器上(如(ru)鍍銀銅法蘭部形(xing)式,帶螺(luo)絲扣(kou)孔影響于確定),以保障機制持續(xu)安全穩確定。
應用軟件域:
通迅(xun)系統:重(zhong)復使用基(ji)站天線或遙感衛星通信網系統中(zhong)的工(gong)作電壓調(diao)小。
機(ji)載汽車聲納:做為(wei)汽車聲納發射點器的輸出縮(suo)放(fang)器。
測評(ping)設配:代替rf射頻和微波加熱(re)測評(ping)設配中的數據信息變(bian)小。
西安市立維創展科技發展是(shi)AMCOM品(pin)牌總加(jia)盟,其基本(ben)微(wei)波(bo)(bo)微(wei)波(bo)(bo)射(she)頻寬帶網(wang)產品(pin)涉及到微(wei)波(bo)(bo)射(she)頻晶(jing)狀體管、MMIC公率(lv)變(bian)大器(qi)(qi)(qi)(qi)(qi)、混合型變(bian)大器(qi)(qi)(qi)(qi)(qi)控(kong)(kong)制器(qi)(qi)(qi)(qi)(qi)、寬帶網(wang)變(bian)大器(qi)(qi)(qi)(qi)(qi)、高公率(lv)變(bian)大器(qi)(qi)(qi)(qi)(qi)控(kong)(kong)制器(qi)(qi)(qi)(qi)(qi)、帶RF和DC接(jie)(jie)連器(qi)(qi)(qi)(qi)(qi)的(de)(de)高電工率(lv)增加(jia)器(qi)(qi)(qi)(qi)(qi)接(jie)(jie)口和低燥聲增加(jia)器(qi)(qi)(qi)(qi)(qi),電工率(lv)增加(jia)器(qi)(qi)(qi)(qi)(qi),按鈕,衰減器(qi)(qi)(qi)(qi)(qi),移相器(qi)(qi)(qi)(qi)(qi)甚至上/下側(ce)調頻器(qi)(qi)(qi)(qi)(qi)的(de)(de)定制網(wang)站(zhan),祝賀咨訊。