互聯網行業訊息
發布信(xin)息(xi)的時間:2025-07-18 16:27:21 閱讀(du):142
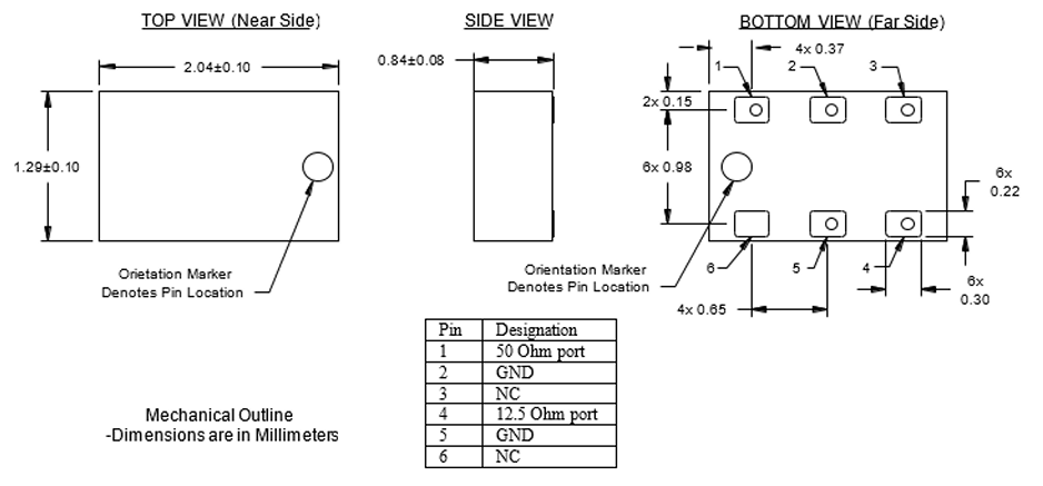
T0727J5012AHF是款低資金、低剖面的(de)亞微形(xing)抗(kang)阻互紅外感應(ying)器,常用(yong)(yong)簡潔易用(yong)(yong)的(de)的(de)表面貼裝二極(ji)(ji)管封裝。盡寸(cun)為 2.0 mm × 1.25 mm,極(ji)(ji)低剖面設定,極(ji)(ji)大(da)減(jian)少 PCB 三(san)維(wei)空(kong)間,采可以(yi)用(yong)(yong)在高溶解度集合。得(de)益于更(geng)小的(de)占用(yong)(yong)量戶型面積,該1個(ge)配置(zhi)文件(jian)混(hun)用(yong)(yong)一般的(de)離散配置(zhi)文件(jian)符(fu)合系統,采可以(yi)用(yong)(yong)在建筑(zhu)體(ti)LTE光纖通信頻段700 MHz–2700 MHz。T0727J5012AHF擁(yong)有性(xing)能方面、匠(jiang)心的(de)完全(quan)相同性(xing)和(he)健康靠普性(xing)。T0727J5012AHF有帶式(shi)和(he)鋼(gang)絲繩卷筒式(shi)每種,是得(de)和(he)寄(ji)存多(duo)地量創(chuang)造的(de)不錯進行。
效能規格
頻段(duan)依據:700 MHz– 2.7 GHz
電阻值比:50 Ω→ 12.5 Ω
加上自然(ran)損耗(hao):0.1 dB @ 25 °C;0.2 dB @ +85 °C
層面:0.84 mm
芯片封裝:0805(2012 Metric),卷帶(EIA-481-D)

癥狀
?低讀取自然損耗
?比較最合適LTE利用標準(zhun)開發(fa)
?可外面裝置
?磁帶和秘藥
?非導電漆層層
?達(da)到(dao)RoHS標準(zhun)的
?無鹵化物
用優越
?控制成本(ben)投入(ru)、高統一的性,選(xuan)用做(zuo)數百名量聯通儀器、CPE、蜂窩(wo)通訊等 LTE/5G 設(she)備(bei)。
?兼容電(dian)容串(chuan)聯(lian)(lian)拓展訓練:4 只串(chuan)聯(lian)(lian)可將(jiang) 12.5 Ω積極推(tui)進調至 3 Ω,再串(chuan)聯(lian)(lian)和并聯(lian)(lian) 1 只就能變現50 Ω→3 Ω切換,用在高(gao)工率 PA 或外置天線配(pei)比。
?全表(biao)層內(nei)外部 DC 共地(di),有(you)效于加偏置;僅需外接串/并電感就能改(gai)善回波耗(hao)用。
APP范疇
遠程無線(xian)通訊:5G 信號(hao)塔、Wi-Fi 裝置、微波射頻(pin)前邊組件。
穩定性的信號處置:差分變成器、混(hun)頻器、濾波器等電路板的抗阻適應。
低頻線路(lu)設定(ding):想(xiang)要微化、高功能(neng)低壓(ya)變壓(ya)器的情況。
成都市立維創展信息技術是Anaren廠家的生產商商,重點能提供貼片分層(ceng)藕合(he)(he)(he)器(qi)、巴倫低壓變壓器(qi)、網絡延時線、專向藕合(he)(he)(he)器(qi)、Doherty合(he)(he)(he)路器(qi)、功分器(qi)、微蜂窩型交叉耦合(he)(he)(he)器(qi)、 RF Crossovers成品(pin),成品(pin)正品(pin)貨(huo)源,最有(you)市場(chang)價格優缺點,歡(huan)迎語服務咨詢。