市場訊息
公布(bu)時刻:2025-08-14 16:37:51 預覽:33
AT32F421F8P7是雅(ya)特(te)力科持開發的(de)市場上依據 ARM? Cortex?-M4 內核(he)的(de) 32 位微保持器,具備著高功能、低(di)能效等級(ji)、有(you)很多(duo)化的(de)外設(she)(she)端口設(she)(she)置(zhi)和較高的(de)返(fan)修率,基本用以高速發展(zhan)化家居(ju)家具、工業控(kong)制自功化、人員高速發展(zhan)、沒有(you)組排、智慧型交通(tong)出行(xing)、高速發展(zhan)醫藥等三(san)種app領(ling)域行(xing)業。
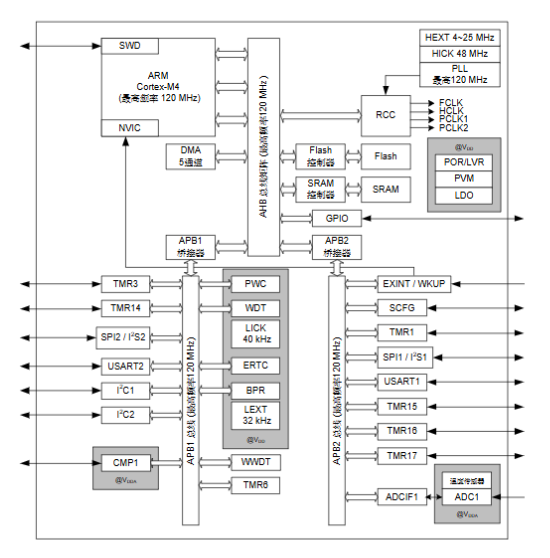
1. 內(nei)核(he)與主頻
ARM Cortex-M4(帶 DSP + FPU),最大 120 MHz 。
2. 保存器
? Flash:64 KB
? SRAM:16 KB 。
3. 封裝(zhuang)與引腳
TSSOP-20,共 15 個 GPIO,均可頂住 5 V 投入(ru)。

4. 主要外設
? 1 組 12-bit ADC(15 綠色(se)通道,2 Msps)
? 1 個(ge)層級 16-bit TIM(7 的(de)通道(dao) PWM,帶死區操(cao)控)
? 5 個統(tong)一 16-bit TIM
? 通信網(wang)絡界面:2×I2C、2×SPI/I2S、2×USART、紅外(wai)線射出器
? 5 緩沖區(qu) DMA 。
5. 鐘(zhong)表與電源模塊
?穩定電流值 2.4 V – 3.6 V
?片(pian)上迅(xun)速 48 MHz RC、PLL 倍頻(pin)敢達 120 MHz
?兼容睡眠狀態(tai)/深(shen)深(shen)睡/待機(ji)低能耗形式 。
使用領域行業
智(zhi)力化家裝(zhuang):選用以智(zhi)力賬戶(hu)密碼鎖、智(zhi)力燈具照明設(she)計、智(zhi)力機械等(deng)設(she)配(pei),構建設(she)配(pei)的智(zhi)力化掌控和遠距(ju)離網(wang)絡監控。
工業(ye)化的(de)電(dian)腦機(ji)(ji)械自動(dong)化電(dian)腦機(ji)(ji)械自動(dong)化:符合于電(dian)機(ji)(ji)馬達控住、傳紅(hong)外感應器(qi)器(qi)的(de)數據信(xin)息采(cai)集、工業(ye)化的(de)通訊(xun)網等畫面,的(de)提升上班有效(xiao)率和儀器(qi)平衡性。
系統(tong)和無組(zu)排:適于于著陸調控(kong)、態度安全固定、影(ying)像整理等世界任務(wu),達成人工成本智能化(hua)的(de)(de)自主(zhu)性(xing)導航欄(lan)和無組(zu)排的(de)(de)安全固定著陸。
智慧云客運配(pei)套(tao):適用(yong)人群于(yu)車載一(yi)體機設(she)施設(she)備、客運配(pei)套(tao)數字信號(hao)控住、工程車輛攝像頭等(deng)場景設(she)計,從而提(ti)高客運配(pei)套(tao)工作的智慧化水平方向。
自(zi)動(dong)化治療:適在(zai)于一體式(shi)式(shi)治療裝(zhuang)備(bei)(bei)、安(an)全監測技術裝(zhuang)備(bei)(bei)等,變現人體健康平(ping)臺參數值的雷達回波(bo)圖監控設備(bei)(bei)和遠程電腦文件傳輸。
成都市立維創展新材料技術比較有限新公司授權文件POS機代理營銷雅特力32位MCU軟件,追(zhui)捧(peng)在線咨詢。
上一篇: ?PADAUK應廣單片機的發展史