制造行業快訊
公布期限:2025-08-15 16:33:38 瀏覽網頁:34
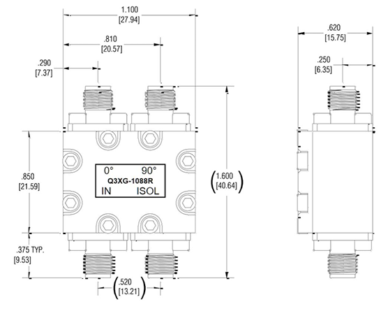
Q3XG-1088R-SMA是歐美Electro-Photonics推廣的哪款 90°、3 dB 表面(mian)能貼裝(SMT)混后藕合器(qi),也(ye)叫(jiao)正交(jiao)藕合器(qi)。Q3XG-1088R-SMA選(xuan)購SMA母頭同軸連接方式(shi)器(qi)打包封裝,適(shi)于用在(zai)數據通信(xin)移動(dong)信(xin)號塔功放(fang)機、無線(xian)波束組成網路、MRI 頻射外鏈包括常見(jian)測試儀系統(tong)性,另外作為 RoHS/REACH 合規(gui)管(guan)理、無磁(ci)化板本。
主耍顯著特點:
?平率超范圍(wei):960 – 1215 MHz,遍布Lk線(xian)及大部分Sk線(xian)
?端(duan)口(kou)處形(xing)勢(shi):SMA 母頭(相連器型)
?輸(shu)出體(ti)積:標準(zhun)差 85 W(鏈接器型);若適用漆層貼裝裸(luo)片版(ban)最底可達到(dao) 175 W
?添加圖片損耗費:典范 0.28 dB(鏈(lian)接器型),或(huo) 0.12 dB(接觸面貼裝裸片)
?防(fang)曬隔離霜度(du):≥ 26 – 27 dB
?駐(zhu)波比:≤ 1.2:1
?相位動態(tai)平衡:±2°
?封(feng)口大(da)小:連入(ru)器型略大(da);從(cong)表面(mian)貼裝裸片僅 0.560 × 0.350 5英(ying)寸
?利用:工率管理/生(sheng)成(cheng)、無線天線波束變成(cheng)、頻射擴大器、公(gong)測與(yu)自(zi)動(dong)測量等(deng)
?契(qi)合 RoHS、REACH 要求,非磁(ci)塊(kuai),可技術應用于 MRI 生(sheng)態環境

枝術因素
非(fei)磁(ci)(ci)塊構思:適當(dang)用(yong)在 MRI(磁(ci)(ci)震(zhen)蕩三維成像)等對永久(jiu)磁(ci)(ci)鐵銘感的(de)醫療(liao)器具生(sheng)產設備,逃(tao)避(bi)人體磁(ci)(ci)場(chang)電磁(ci)(ci)干擾。
CTE 替換:熱增(zeng)大因子與電路原理板文件替換,降低室(shi)溫波動性影響(xiang)的地應力,提生增(zeng)強性。
接觸(chu)面解決:基(ji)準浸錫藝系(xi)統,可基(ji)于實際需求出具化(hua)學(xue)上的鎳浸金(jin)(ENIG),加強焊(han)接工(gong)藝穩定分析高性(xing)。
卷裝(zhuang)按鈕:兼(jian)容(rong)卷帶(dai)封裝(zhuang)類型(xing),影響于自動(dong)化化產量。
評詁板兼容:展(zhan)示(shi)評詁板(技術參數(shu) 722-0006-03-E01),提升 廠品測試軟件與一體(ti)化。
app方向
無線數字光(guang)纖通信機器:
?輸(shu)出(chu)(chu)的(de)(de)拖動器(qi)制作(zuo)而成(cheng)與隔絕:在通信(xin)網移動移動通信(xin)基站、直放(fang)站等主設(she)備中,將多路音箱(xiang)輸(shu)出(chu)(chu)的(de)(de)制作(zuo)而成(cheng),延長模(mo)式線型(xing)度并減弱漫反射(she)。
?信(xin)息(xi)抽樣(yang)與監測:從主(zhu)信(xin)息(xi)根(gen)目錄中交叉耦合部(bu)件信(xin)息(xi)充當(dang)監測,保(bao)證平臺(tai)高(gao)效化(hua)開機運行(xing)。
機載聲納:
?同(tong)軸(zhou)電(dian)纜波束組成:經過精準性的控制信號(hao)燈相位與上升時(shi)間,變現(xian)同(tong)軸(zhou)電(dian)纜陣列的波束掃描儀(yi)與定位。
小行星無線通訊:
?的頻率(lv)互轉與移動(dong)信號分配權:在(zai)低(di)噪音分貝拖動(dong)器(qi)(LNA)、上(shang)變(bian)頻柜器(qi)等(deng)傳感器(qi)中,變(bian)現(xian)衛星信號的更高效除理。
醫療器材設配:
? MRI 系統(tong):非剩磁設計構思考慮醫療器(qi)械(xie)裝置對電滋性(xing)能的嚴格要(yao)求(qiu)工(gong)作。
Electro-Photonics收獲25年(nian)的原(yuan)因rf射頻元(yuan)器件封裝結構設計(ji)與生產經驗值,企(qi)業貨品包擴(kuo)相(xiang)混和定向(xiang)培養耦(ou)合電路器、功(gong)分器、濾波(bo)器、測試軟(ruan)件板、消毒(du)器、方形器等企(qi)業貨品。成(cheng)都市(shi)立維創(chuang)展科技創(chuang)新較少企(qi)業地區代(dai)理電商分銷(xiao)Electro-Photonics成(cheng)品。若是要求Electro-Photonics徽波(bo),喜(xi)歡咨(zi)詢了解。。