HMC7885FH18單單片機芯片微波加熱智能家居控制電源線路(MMIC)功效擴大器(PA)模塊電源 ADI現貨交易銷售商商
發(fa)布(bu)了(le)時候:2018-06-19 16:42:54 搜(sou)素:2501
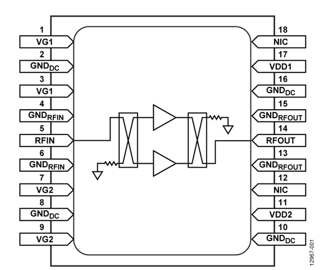
HMC7885FH18是一個款32 W氮化鎵(GaN)、單處理芯片微波通信整合電路板(MMIC)運行工作功率變成器(PA)功能,運行速度范疇為2 GHz至6 GHz,帶來了18引腳密閉功能封裝形式。該變成器一般來說帶來了21 dB小訊號收獲和45 dBm飽和狀態微波射頻(RF)工作工作輸出運行工作功率。該變成器用到28 V直流電供電的冗余耗電(IDD)為2200 mA。隔直RF輸進和工作工作輸出適合至50 ?,運用不方便。
|
品牌
|
型號
|
描述
|
貨期
|
庫存
|
|
ADI
|
HMC7885FH18
|
2 GHz至6 GHz,45 dBm功率放大器
|
現貨
|
78
|
HMC7885FH18應用(yong)
-
測試與測量設備
-
通信
-
電子戰(EW)
-
軍事
-
行波管(TWT)替換產品
-
SATCOM
HMC7885FH18優勢和特點
-
2 GHz至6 GHz
-
小信號增益:21 dB(典型值)
-
飽和RF輸出功率:45 dBm(典型值,POUT)
-
18引腳、密封模塊
-
工作溫度范圍為-30°C至+60°C
HMC7885FH18結構圖
