Ka中波段驅動器調小器HMC-AUH256/HMC-AUH256-SX ADI現貨平臺加盟
披露時期:2018-12-03 11:18:50 閱(yue)覽:2134
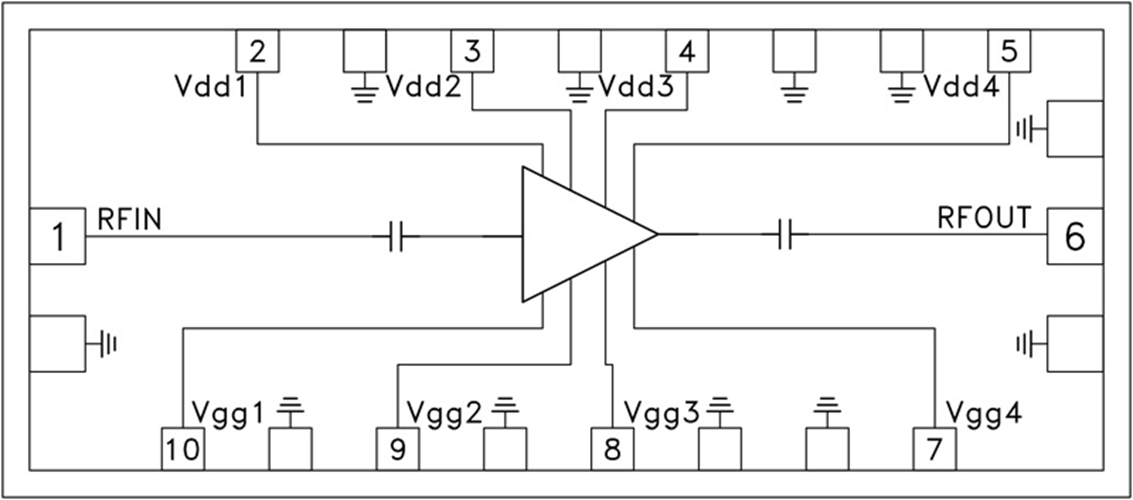
HMC-AUH256不是款Kak線GaAs MMIC HEMT4個等級驅程調小器,做上班的頻率范圍內17.5至41 GHz。 基于圖片尺寸較小(1.93 mm2),該心片可枯燥ibms到多心片包塊(MCM)中。 HMC-AUH256在1 dB壓縮的點可以提供21 dB的增加收益和+20 dBm的導出功效,動用+5V的偏置電源線(295 mA)。 HMC-AUH256還常用作倍頻器。 改變倍頻器做上班的相信偏置經濟條件。
|
品牌
|
型號
|
貨期
|
庫存
|
|
ADI
|
HMC-AUH256
HMC-AUH256-SX
|
1周
|
200
|
|
如若您需要購買HMC-AUH256/HMC-AUH256-SX,請點擊右側客服聯系我們!!!
|
軟(ruan)件應用
優勢和特點
-
增益: 21 dB
-
P1dB輸出功率: +20 dBm
-
寬帶性能:
17.5至41 GHz
-
電源電壓:
+5V (295 mA)
-
小尺寸芯片:
2.1 x 0.92 x 0.1 mm
架構圖(tu)
