HMC7357LP5GE/HMC7357LP5GETR適中工作效率變小器頻率5.5至8.5 GHz ADI期貨
發布(bu)的精(jing)力:2018-06-22 16:06:19 預(yu)覽:2624
HMC7357就是一款三級GaAs pHEMT MMIC適中所在拖動器,的工作頻帶寬度範圍為5.5至8.5 GHz。 該拖動器的增益值為29 dB,飽和點所在所在為+35 dBm,PAE為34%,交流電源電流值為+8V。 HMC7357給出+41.5 dBm的極其出色所在IP3能力,極其適曲線應該用,像是高電機功率點對點通信和點對多一點遠程電或VSAT/SATCOM應該用——這樣應該用必須極具+35 dBm的提高效率飽和點所在所在。 RF I/O內部結構切換至50 Ω,食用便。 HMC7357用無鉛5x5 mm材料表貼封口,與表貼研制工藝兼容。
|
品牌
|
型號
|
描述
|
貨期
|
庫存
|
|
ADI
|
HMC7357
|
GaAs pHEMT MMIC 2 W功率放大器,5.5 - 8.5 GHz
|
現貨
|
120
|
HMC7357LP5GE操作(zuo)
-
點對點無線電
-
點對多點無線電
-
VSAT和SATCOM
HMC7357LP5GE優勢和特點
-
Pout:+35 dBm (34% PAE)
-
高P1dB輸出:+34 dBm
-
高輸出IP3: +41.5 dBm
-
高增益: 29 dB
-
50 Ω匹配輸入/輸出
-
電源電壓: Vdd = 8V (1200 mA)
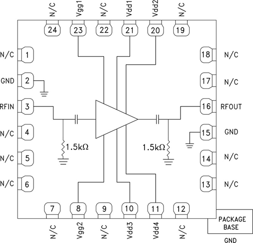
HMC7357LP5GE結構圖
