HMC515LP5E/HMC515LP5ETR雙化學性質晶胞管 ADI銷售商外盤
發布信(xin)息時(shi)段:2019-01-23 09:49:37 瀏覽記錄:2075
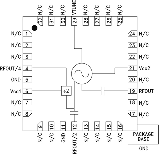
HMC515LP5E都是款GaAs InGaP異質結雙化學性質晶狀體管(HBT) MMIC VCO。 HMC515LP5(E)集成就了諧振器、負內阻元器件和變容場效應管,可輸入半頻,并供給四分頻輸入。 考慮到振動器的單集成ic設備構造,VCO的相位低頻噪音功效在的溫度、突破和流程具體條件下均是精湛。 利用+5V電源線直流電流電壓時,輸入最大功率為+10 dBm(先進典型值)。 倘若不必須要 ,就能夠關閉預分頻器模塊以減少瞬時電流。 該直流電流電壓設定振動器利用無引腳QFN 5x5 mm表貼芯片封裝,必須表面識別元器件封裝。
|
品牌
|
型號
|
貨期
|
|
ADI
|
HMC515LP5E
HMC515LP5ETR
|
1周
|
|
如若您需要購買HMC515LP5E/HMC515LP5ETR,請點擊右側客服聯系我們!!!
|
應用領域
-
VSAT無線電
-
點對點/多點無線電
-
測試設備和工業控制
優勢和特點
-
雙路輸出: Fo = 11.5 - 12.5 GHz
Fo/2 = 5.75 - 6.25 GHz
-
Pout: +10 dBm
-
相位噪聲: 典型值為-110 dBc/Hz(100 kHz)
-
無需外部諧振器
-
QFN無引腳SMT封裝,25 mm2
架構圖
