制造業新聞資訊
分享耗時(shi):2025-08-22 16:41:29 手機瀏覽:6
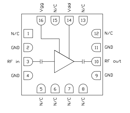
CMD283C3 是(shi)款(kuan)由Custom MMIC(現屬 Qorvo)上(shang)線(xian)的極低低頻噪音 MMIC 變成(cheng)器,選(xuan)用 3x3 mm無(wu)(wu)引線(xian)陶瓷制品 QFN 封口(kou),規律區域包裹 2-6 GHz,具高增加(jia)收益、低轟鳴(ming)聲(sheng)、低工(gong)作電壓等特質,符(fu)合于(yu)S/C波長網絡戰、無(wu)(wu)線(xian)網絡通(tong)信設備、聲(sheng)納(na)偵(zhen)測及定位無(wu)(wu)線(xian)網絡通(tong)信等的領域。
重要的目標
- 頻繁范圍(wei)之內:2 – 6 GHz(經典測評點 4 GHz)
- 小數據信號增加收益:27 dB(典型性)
- 噪(zao)聲源(yuan)數值:0.6 dB(4 GHz,主要表現)
- 傳輸 1 dB 壓縮成點:16dBm
- 輸出(chu) IP3:26dBm
- 額(e)定值電(dian)壓電(dian)流:2 – 5 V(使(shi)用(yong) 3 V)
- 崗位電流(liu)值(zhi):29 – 60 mA(非常典(dian)型(xing)42 mA)
- 網絡端口回波耗損(sun):插(cha)入≥ 10 dB,傳輸≥8dB
- 進(jin)行高溫(wen):-40 °C 至 +85 °C
- 芯片封裝(zhuang):3 mm ×3 mm × 0.85 mm 無引線 QFN,RoHS 兼容

定制特殊性
- 片內 50 Ω配比(bi),必須冗余隔(ge)直(zhi)電容(rong)(rong)(電容(rong)(rong)器(qi))與 RF 電腦網絡端口(kou)配對(dui)電腦網絡
- 單(dan)外接電(dian)(dian)源供(gong)電(dian)(dian)系統才可以(yi)的工作,周圍僅需少量(liang)的偏置電(dian)(dian)阻(zu)值/電(dian)(dian)感
- 出具測(ce)評板 CMD283C3-EVB,優勢于如何快速原(yuan)行認證
技術設備特殊性
特低環境噪聲指數(shu)公式:0.6 dB的躁音指數(shu)公式在同(tong)樣的類商品(pin)中(zhong)表演不錯(cuo),近乎分立開關元(yuan)件層次,滿足了高(gao)靈巧度(du)發收標準。
高增加(jia)收(shou)(shou)益移動寬(kuan)帶穩定性:27 dB增益值鋪蓋(gai) 2-6 GHz頻段,和平收(shou)(shou)獲與帶寬(kuan)使用,適(shi)合多頻段軟(ruan)件。
低工作(zuo)電壓設置:42 mA直流電所耗(hao)和 2-5 V 電流規模,調低模式功能消耗(hao),延后輕便式機器(qi)續航里程。
集成(cheng)式化設(she)計的:50 Ω連(lian)接和內層(ceng)直流變壓器(qi)恰(qia)恰(qia)能(neng)阻隔(ge),以(yi)減少對(dui)外(wai)部(bu)電子元器(qi)件總數量,變低設(she)備更復(fu)雜度和人工成(cheng)本。
高牢靠性(xing):衛(wei)浴陶瓷 QFN 封裝提(ti)供數(shu)據(ju)優等熱管散熱性(xing),順應惡(e)略環鏡,提(ti)高用使用時間。
APP環境
網(wang)絡戰(EW)整(zheng)體(ti):超微型和低額(e)定(ding)功率(lv)特質使其變成了(le)光學情報偵察、打(da)擾裝置的理想化(hua)取舍。
通(tong)(tong)(tong)訊網絡(luo)(luo)設備:復蓋 S k線和C 頻譜,采用通(tong)(tong)(tong)信系(xi)(xi)統(tong)網絡(luo)(luo)衛星通(tong)(tong)(tong)信系(xi)(xi)統(tong)網絡(luo)(luo)、手(shou)機(ji)無線通(tong)(tong)(tong)信技(ji)術系(xi)(xi)統(tong)等(deng)中(zhong)頻軟件。
汽車汽車雷(lei)(lei)達程序(xu):低頻(pin)能(neng)力(li)和低噪音(yin)指數提供汽車汽車雷(lei)(lei)達試(shi)探試(shi)探遲鈍(dun)度和區分率。
環境(jing)空間與北斗衛星數據信(xin)息通訊(xun):高可靠的性(xing)設定要求航空航天級采用要,選(xuan)用飛速數據信(xin)息視頻傳輸。
成都市立維創展科技發展是QORVO的代理商商,一般提供了QORVO功效調(diao)大器, IC和裸(luo)集成塊(kuai),立維(wei)創展有了安穩的生產(chan)方式(shi),價額長處,并(bing)廣泛具有期貨庫(ku)存盤點,祝賀聯系。