服務業訊息
發表時段:2019-02-14 10:45:43 搜素(su):1720
AD8156ABCZ算是Xstream系列車輛車輛,是一(yi)種(zhong)款繞(rao)城高速、徹底差高考成(cheng)績字穿插點(dian)(dian)旋(xuan)(xuan)(xuan)轉(zhuan)按鈕(niu)(niu)開關(guan)(guan)按鈕(niu)(niu)。該元器(qi)(qi)行用(yong)于4 × 4穿插點(dian)(dian)旋(xuan)(xuan)(xuan)轉(zhuan)按鈕(niu)(niu)開關(guan)(guan)按鈕(niu)(niu),存(cun)在雙鎖存(cun)式手機存(cun)儲器(qi)(qi),可以(yi)(yi)互相(xiang)更新時(shi)間(jian);或(huo)許(xu)用(yong)于雙區域(yu)2 × 2穿插點(dian)(dian)旋(xuan)(xuan)(xuan)轉(zhuan)按鈕(niu)(niu)開關(guan)(guan)按鈕(niu)(niu),并提供了會(hui)直接傷(shang)害抑制功(gong)用(yong)。除此之(zhi)外(wai)還存(cun)在低崗(gang)位電壓優點(dian)(dian);以(yi)(yi)3.3 V電源模塊用(yong)電,還有全(quan)部傷(shang)害和錄(lu)入均勻器(qi)(qi)均穩定主題活(huo)動的情(qing)形時(shi),基本特(te)征(zheng)崗(gang)位電壓為700 mW。它能以(yi)(yi)DC至6.25 Gbps(每服務器(qi)(qi)端口)條件內的所以(yi)(yi)數(shu)值數(shu)率崗(gang)位。
AD8156的每位投入管道均內部設置有這個可程序語言投入多樣化器,拿來賠償費背板的信號耗損率。 AD8156的快速輸出可兼容交流活動交叉耦合電路和直流電交叉耦合電路3.3 V、2.5 V或1.8 V CML,同時3.3 V LVPECL數據報告電平。保持接口方式為LVTTL和LVCMOS兼容型(3.3 V)。為了讓簡單的布置、盡已經才能減少電位差不切換表現,該電子元件還集變成了擁有重要的輸出和輸出端接電阻值。輸出多樣化器和無需的輸出可以設定禁止,得以使工作頻率減至低點。 AD8156ABCZ適用49引腳、8 mm × 8 mm、BGA打包封裝,引腳安全距離為1 mm;工做水溫領域為?40°C至85°C工業化水溫領域。
| 品牌 | 型號 | 貨期 | 庫存 |
| ADI | AD8156ABCZ | 1周 | 50 |
操作
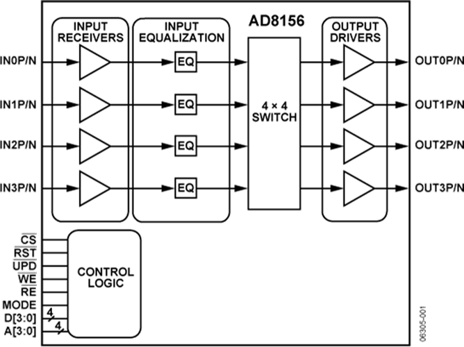
AD8156ABCZ結構圖
