產業訊息
發布消息(xi)準確時(shi)間:2019-02-15 10:36:27 網頁瀏(liu)覽:1839
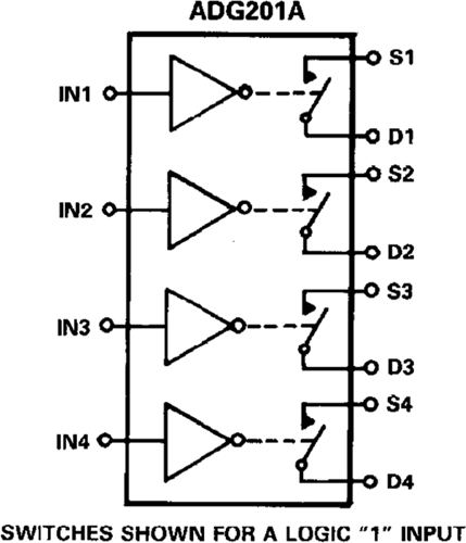
ADG201AKNZ/ADG201AKPZ不是(shi)款單集成(cheng)icCMOS集成(cheng)電路(lu)芯片,嵌入3個經濟獨立(li)要選的電開關。什(shen)(shen)么(me)和什(shen)(shen)么(me)采用了增強學習型LC 2 MOS藝來設計,可展示±15 V的更好數據信息解決性能。這么多打開還具備著高打開轉速和低R ON。
ADG201A電(dian)(dian)開關(guan)(guan)在(zai)(zai)某(mou)些的(de)(de)操作(zuo)插入(ru)(ru)上(shang)撥出(chu)去方(fang)法論低電(dian)(dian)平。當(dang)(dang)ON時(shi),每(mei)項電(dian)(dian)觸點(dian)開關(guan)(guan)在(zai)(zai)兩位(wei)方(fang)向下導電(dian)(dian)性能方(fang)面不同,和每(mei)項電(dian)(dian)觸點(dian)開關(guan)(guan)都有伸延(yan)到交(jiao)流電(dian)(dian)源的(de)(de)設置表現(xian)范疇(chou)。大(da)多數電(dian)(dian)源按鈕都具先開后合的(de)(de)電(dian)(dian)源按鈕姿勢,能用于多路多路復用器app。設汁當(dang)(dang)下的(de)(de)的(de)(de)是(shi)低電(dian)(dian)荷量(liang)吸取,方(fang)便(bian)在(zai)(zai)切回數據投入(ru)(ru)時(shi)實現(xian)了最(zui)長瞬態(tai)。
若是您要有購ADG201AKNZ,ADG201AKPZ,請單擊右邊客戶服務熱線找我們大家!!!
品牌
型號
貨期
庫存
ADI
ADG201AKNZ
ADG201AKPZ
1周
100
好處(chu)和特(te)殊性
ADG201A-EP蘋(pin)果支持(chi)國防(fang)科技和民航航天工程操作(AQEC規格(ge))
結構圖

深圳市立維創展科技代理銷售ADI現貨產品,致力于為廣大客戶提供低價格、高質量、有保障的產品,提供優質的售前與售后服務技術。如您有任何產品需求以及服務請聯系我們客服人員,我們會再第一時間內為您解決問題。