HMC437MS8GE低嗓聲冗余分頻器 原版現貨黃金
上(shang)架時(shi)間間隔(ge):2019-02-18 10:22:56 手機瀏(liu)覽:2185
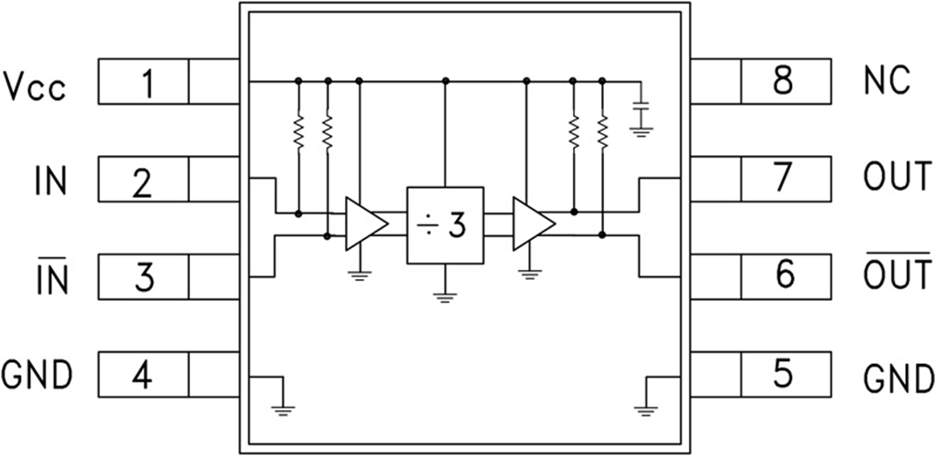
HMC437MS8GE都是款低低頻噪音5分頻空態分頻器,運行InGaP GaAs HBT技木,施用成本控制費8引腳表貼可塑料二極管封裝。 此元件在DC(運行方波填寫)至7 GHz的填寫頻帶寬度下工作中,運行+5V DC單電原。 100 kHz偏置時的低加性SSB相位低頻噪音為-153 dBc/Hz,這樣有利于用戶組提高非常好的整體低頻噪音效能。
|
品牌
|
型號
|
貨期
|
庫存
|
|
ADI
|
HMC437MS8GE
|
1周
|
30
|
假如您想要購HMC437MS8GE,請點選右方售后找公司!!!
HMC437MS8GEapp
-
UNII、點對點和VSAT無線電
-
802.11a和HiperLAN WLAN
-
光纖產品
HMC437MS8GE優勢和特點
-
SSB相位噪聲: -153 dBc/Hz(100KHz)
-
寬帶寬
-
輸出功率: -1 dBm
-
單直流電源: +5V (69 mA)
-
MS8G SMT封裝
HMC437MS8GE結構圖

深圳市立維創展科技代理銷售ADI現貨產品,致力于為廣大客戶提供低價格、高質量、有保障的產品,提供優質的售前與售后服務技術。如您有任何產品需求以及服務請聯系我們客服人員,我們會再第一時間內為您解決問題。