AD7980ARMZ系數變為器(ADC) POS機代理外盤
上架日期:2019-02-18 14:00:32 手機瀏覽:1883
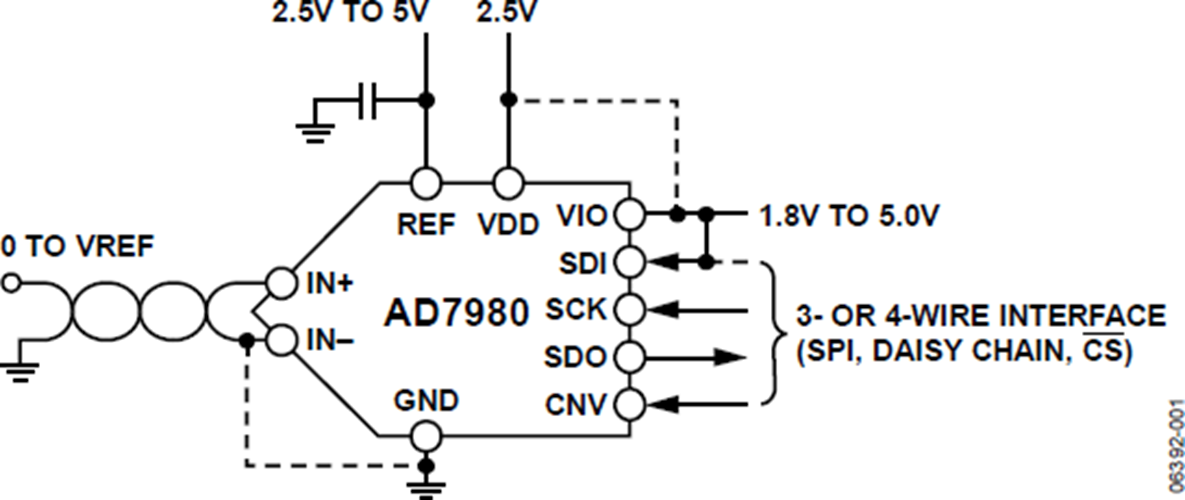
AD7980ARMZ就是一款16位、逐次將近型系數換算器(ADC),選擇單開關電源模塊(VDD)輸電。它內部設置的低工作電阻、髙速、16位抽樣系統ADC和的多作用串行接口標準端口號。在CNV逐漸沿,該配件對IN+與IN-相互的摸擬手機輸入電阻差使用抽樣系統,位置從0 V至REF。基準點電阻(REF)由靜態展示 ,然后行獨有于開關電源模塊電阻(VDD)。工作電阻和吞吐數率呈線形影響直接關系。
SPI兼容串行接口協議還并能通過SDI填寫,將四個ADC以大菊花鏈方式鏈接到一條什么二線式傳輸線上,并帶來可以選擇的系統繁忙技巧。選取獨立空間電壓VIO時,它與1.8V、2.5V、3V和5V思想兼容。
AD7980ARMZ采用了10引腳MSOP芯片封裝類型或10引腳QFN (LFCSP)芯片封裝類型,崗位溫度因素領域為?40°C至+125°C。
|
品牌
|
型號
|
貨期
|
庫存
|
|
ADI
|
AD7980ARMZ
|
1周
|
50
|
要是您要求購AD7980ARMZ,請鼠標點擊左面在線客服連續我們大家!!!
AD7980ARMZ適用
AD7980ARMZ優勢和特點
-
16位分辨率、無失碼
-
呑吐速率:1 MSPS
-
低功耗
4 mW(1 MSPS,僅VDD)
7 mW(1 MSPS,總功耗)
70 μW (10 kSPS)
-
INL:典型值±0.6 LSB,最大值±1.25 LSB
-
信納比(SINAD):91.25 dB(10 kHz時)
-
THD:-110 dB(10 kHz時)
-
欲了解更多特性,請參考數據手冊
AD7980ARMZ蘋果支持防務和飛機核工業軟件(AQEC規范標準)
-
下載AD7980-EP數據手冊(pdf)
-
受控制造基線
-
唯一封裝/測試廠
-
唯一制造廠
-
增強型產品變更通知
-
認證數據可應要求提供
-
軍用溫度范圍(?55℃至+125℃)
-
V62/12640 DSCC圖紙號
AD7980ARMZ示意圖
