AD7980BRMZ系數轉變成器ADC 代理加盟現貨交易
發表事件:2019-02-18 14:46:26 搜素(su):2021
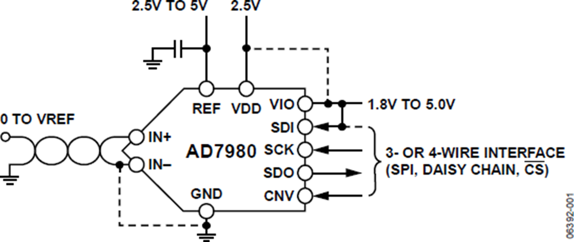
AD7980BRMZ有的是款16位、逐次梯度下降法型齒條參數轉化器(ADC),主要包括單電阻值適配器(VDD)供電局。它默認設置一些低顯卡功能消耗、繞城高速、16位監測系統ADC和一些多能力串行音頻接口接口。在CNV上升時沿,該元件對IN+與IN-彼此的仿真模擬發送交流電流差實行監測系統,領域從0 V至REF。依據交流電流(REF)由間接供應,因此也可以獨立自主于電阻值適配器交流電流(VDD)。顯卡功能消耗和吞吐頻率呈規則化不同直接關系。
SPI兼容串行電壓接口還要能根據SDI顯示,將以下幾個ADC以玫瑰花鏈方法無線連接到一根四線式系統總線上,并保證待選的繁華技巧。主要包括自立電壓VIO時,它與1.8V、2.5V、3V和5V思維兼容。
AD7980BRMZ主要采用10引腳MSOP二極管封口或10引腳QFN (LFCSP)二極管封口,運行攝氏度范圍內為?40°C至+125°C。
|
品牌
|
型號
|
貨期
|
庫存
|
|
ADI
|
AD7980BRMZ
|
1周
|
20
|
要是您須要購AD7980BRMZ,請超鏈接右面軟件客服關系小編!!!
AD7980BRMZ軟件
AD7980BRMZ優勢和特點
-
16位分辨率、無失碼
-
呑吐速率:1 MSPS
-
低功耗
4 mW(1 MSPS,僅VDD)
7 mW(1 MSPS,總功耗)
70 μW (10 kSPS)
-
INL:典型值±0.6 LSB,最大值±1.25 LSB
-
信納比(SINAD):91.25 dB(10 kHz時)
-
THD:-110 dB(10 kHz時)
-
欲了解更多特性,請參考數據手冊
AD7980-EP使用防務和飛機維修航空材料利用(AQEC規定)
-
下載AD7980-EP數據手冊(pdf)
-
受控制造基線
-
唯一封裝/測試廠
-
唯一制造廠
-
增強型產品變更通知
-
認證數據可應要求提供
-
軍用溫度范圍(?55℃至+125℃)
-
V62/12640 DSCC圖紙號
AD7980BRMZ示意圖
