HMC-AUH256衛星信號網絡通信英語四級能夠圖像放大電路 ADI現貨交易
公(gong)布(bu)的時(shi):2019-02-20 15:38:45 查詢:1815
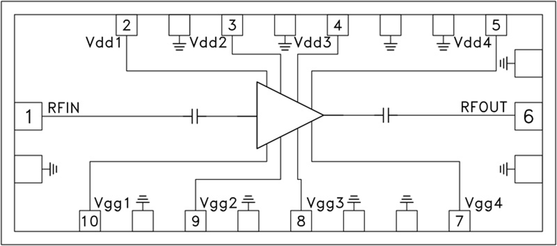
HMC-AUH256就是一款GaAs MMIC HEMT3級能夠變小器,工作上上聲音頻率位置17.5至41 GHz。 基于尺寸大小較小(1.93 mm2),該單片機基帶芯片可容易ibms到多單片機基帶芯片功能模塊(MCM)中。 HMC-AUH256在1 dB壓縮的點具備21 dB的增益值和+20 dBm的輸出電壓電功率,應用+5V的偏置外接電源(295 mA)。 HMC-AUH256還可以作倍頻器。 構建倍頻器工作上上的詳解偏置環境。
|
品牌
|
型號
|
貨期
|
庫存
|
|
ADI
|
HMC-AUH256
|
1周
|
100
|
若是您必須 訂購HMC-AUH256,請點選左面客服中心連系各位!!!
應用
優勢和特點
-
增益: 21 dB
-
P1dB輸出功率: +20 dBm
-
寬帶性能:
17.5至41 GHz
-
電源電壓:
+5V (295 mA)
-
小尺寸芯片:
2.1 x 0.92 x 0.1 mm
示意圖
