業內資迅
披露時間段(duan):2019-02-20 16:00:57 閱讀:1719
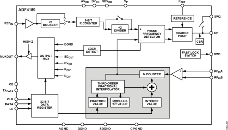
ADF4159WCCPZ由(you)低噪聲數字鑒(jian)(jian)頻(pin)鑒(jian)(jian)相器(qi)(PFD)、精密(mi)電(dian)荷泵和可(ke)編程(cheng)參(can)考分頻(pin)器(qi)組成。 該器(qi)件內(nei)置一個(ge)Σ-Δ型小數插值器(qi),能夠實現可(ke)編程(cheng)小數N分頻(pin)。 INT和FRAC寄存器(qi)可(ke)構成一個(ge)總N分頻(pin)器(qi)(N = INT + (FRAC/225))。
ADF4159WCCPZ需用于推動頻移鍵控(FSK)和相移鍵控(PSK)調制解調。 還會有點需用的頻繁打印經營模式,可在頻域內會產生多種多樣正弦波形,舉個例子鋸齒形波和三角型波。 打印就能夠軟件設制為重新對其進行,也就能夠軟件設制為經過其他脈沖造成的手動打斷所有步驟之一。 ADF4159WCCPZ都具有周跳可以減少電源線路,可進三步減小選擇時段,而不須獲取環路濾波器。 大部分片內寄存器均憑借簡單的的四線式數據接口來管控。 ADF4159利用2.7 V至3.45 V模擬機電原和1.62 V至1.98 V數字化電原用電,不需要 時就可以關斷。
| 品牌 | 型號 | 貨期 | 庫存 |
| ADI | ADF4159WCCPZ | 1周 | 100 |
應用
優勢和特點
示意圖
