HMC409LP4E/HMC409LP4ETR優質率功效拖動器 ADI期貨
推送時刻:2018-06-26 11:07:05 閱(yue)讀(du):7547
HMC409LP4(E)不是款生產率高率GaAs InGaP HBT MMIC馬力拖動器,運行工作頻率規模為3.3至3.8 GHz。 該拖動器選取低價格、無鉛SMT封裝類型。 它選取最多的外接構件,打造31 dB增加收益,達到飽和狀態馬力為+32.5 dBm,電源線電壓值為+5V。 馬力操作(Vpd)能夠用于全性能經濟模式經濟模式或RF工作輸入輸出馬力/交流電操作。 而言+22 dBm OFDM工作輸入輸出馬力(64 QAM, 54 Mbps),HMC409LP4(E)可達成2%的確定誤差矢量素材增長幅度(EVM),然而無法WiMAX 802.16曲線度的要求。
|
品牌
|
型號
|
描述
|
貨期
|
庫存
|
|
ADI
|
HMC409LP4E
HMC409LP4ETR
|
1 W功率放大器SMT,3.3 - 3.8 GHz
|
現貨
|
237
|
HMC409LP4應(ying)用
-
WiMAX 802.16
-
固定無線接入
-
無線本地環路
HMC409LP4優勢和特點
-
增益: 31 dB
-
40% PAE (+32.5 dBm pout)
-
2% EVM (Pout = +22 dBm)
具有54 Mbps OFDM信號
-
+46 dBm輸出IP3
-
集成功率控制(Vpd)
-
+5V單電源
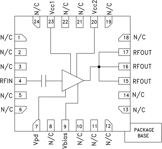
HMC409LP4結構圖
