欧洲一区二区-欧美激情一区二区-国产激情在线-欧美在线一区二区

HMC1082LP4E/HMC1082LP4ETR在軍事自動化戰驅程變小器 現貨黃金

更新耗時:2019-02-25 10:48:33     訪問 :1783

HMC1082LP4E有的(de)是款GaAs pHEMT MMIC驅動(dong)軟件拖動(dong)器,集變成(cheng)體(ti)(ti)溫房屋補償片(pian)(pian)上最大功(gong)率(lv)驗(yan)測器,事業的(de)頻率(lv)的(de)范圍(wei)為5.5至18 GHz。該放縮(suo)器在1 dB增益(yi)(yi)值(zhi)(zhi)控制(zhi)減少下展示(shi) 22 dB增益(yi)(yi)值(zhi)(zhi)控制(zhi),+ 35 dBm效(xiao)果(guo)(guo)IP3和+24 dBm效(xiao)果(guo)(guo)公(gong)率(lv),而+ 5V電源開關則須得(de)220 mA。HMC1082LP4E是可以(yi)展示(shi)+26 dBm飽和狀態傳輸熱效(xiao)率(lv)和26%PAE,并所采用主(zhu)體(ti)(ti)工(gong)程型(xing)無引腳4x4 mm塑膠片(pian)(pian)接觸(chu)面貼裝封(feng)裝類型(xing)。

HMC1082LP4E不是款很好的能(neng)夠(gou)擴大器,不適選用(yong)(yong)在一些選用(yong)(yong),涉及到(dao)5.5至(zhi)18 GHz的雙向wifi手機(ji)電和9 GHz的船(chuan)用(yong)(yong)統計。HMC1082LP4E還(huan)都可以(yi)于6至(zhi)18 GHz EW和ECM應該用(yong)(yong)。

品牌 型號 貨期 庫存
ADI HMC1082LP4E 1周 200
倘若您須要購置HMC1082LP4E,請彈窗右下在線客服找他們!!!

品牌 型號 貨期 庫存
ADI HMC1082LP4E
HMC1082LP4ETR
1周 150
如若您需要購買HMC1082LP4E/HMC1082LP4ETR,請點擊右側客服聯系我們!!!

軟(ruan)件應(ying)用

  • 一對一無線網電
  • 點對多一些無線網電
  • VSAT和通訊衛星通訊網絡
  • 海洋能預警雷達
  • 日本軍事網絡戰和ECM


優勢和特征

  • 高飽和狀態讀取最大功率:26%PAE時26 dBm
  • 高輸出的IP3:35 dBm
  • 高增益控制:22 dB
  • 高P1dB傷害最大功率:24 dBm
  • 整流電原:220 mA時+ 5V
  • 緊身型24引腳4x4 mm SMT封裝類型:16 mm 2

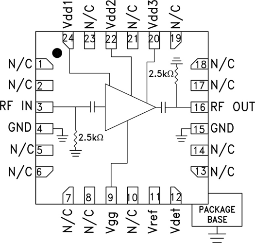
示意圖

高性價比資訊新聞
  • 關于THUNDERLINE-Z產品申明
    關于THUNDERLINE-Z產品申明 2020-10-14 15:54:05 成都 市立維創展科技開發有限工廠英文工廠,是歐美THUNDERLINE-Z & Fusite項目目前在國內現代的授權文件營銷代理商,其彩石的玻璃密封圈接線端子排,已廣泛的應用于航天工程、中國軍事、通訊網絡等高是真的嗎性這個領域。
  • CMD283C3超低噪聲MMIC放大器現貨庫存
    CMD283C3超低噪聲MMIC放大器現貨庫存 2025-08-22 16:41:29 Custom MMIC(現屬 Qorvo)的 CMD283C3 低好的風噪 MMIC 變成器用 3x3 mm 無引線瓷磚 QFN 打包封裝,的頻率研究方向 2 - 6 GHz,提供高收獲、低的風噪、低能耗等功能,采用做 S/C 股票波段多研究方向。