HMC565LC5低燥聲縮放器處理芯片 ADI現貨黃金
發部耗時:2019-02-26 10:52:55 查看:1760
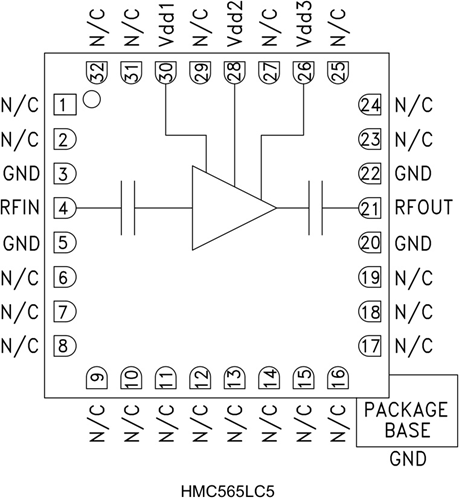
HMC565LC5是一種款高新動態領域GaAs PHEMT MMIC低低頻噪音調小器,用途具備RoHS標準的的無引腳5x5mm SMT裝封。 HMC565LC5本職工作任務頻繁 領域為6至20 GHz,在整體的本職工作任務頻段內具備著21 dB小信息增益值、2.5 dB低頻噪音指數和+20 dBm輸入輸出IP3。 猶豫用途+3V電源線變電和隔直RF I/O,該自偏置LNA特別最合適微波通信無線路由電用途。
|
品牌
|
型號
|
貨期
|
庫存
|
|
ADI
|
HMC565LC5
|
1周
|
100
|
倘若您必須入手(shou)HMC565LC5,請單擊左邊客(ke)戶認識讓我們!!!
應用
-
點對點無線電
-
點對多點無線電和VSAT
-
測試設備和傳感器
-
軍事和太空
優勢和特征
-
噪聲系數: 2.5 dB
-
增益: 21 dB
-
OIP3: 20 dBm
-
單電源: +3V (53 mA)
-
50 Ω匹配輸入/輸出
-
符合RoHS標準的5x5 mm封裝
示意圖

深圳市立維創展科技代理銷售ADI現貨產品,致力于為廣大客戶提供低價格、高質量、有保障的產品,提供優質的售前與售后服務技術。如您有任何產品需求以及服務請聯系我們客服人員,我們會再第一時間內為您解決問題。