HMC447LC3低嘈音3分頻降解分頻器 期貨
發部周期(qi):2019-02-26 14:07:37 訪問(wen):1720
HMC447LC3一款低噪音分貝四分頻回收利用分頻器,用InGaP GaAs HBT高技術。 這件移動寬帶分頻器的任務輸入率為10到26 GHz,能接受極寬在使用范圍的輸入工率水準。 HMC447LC3兼有-150 dBc/Hz的過低SSB相位噪音分貝(100 kHz偏置時),極其適和在高頻鎖相環(PLL)中在使用,或者一位程序中都要基波和分頻LO率的本振(LO)分配權應用。
這一款功能模塊率先的分頻器適用1個+5V正電源適配器,耗電僅為96 mA,在額定負載帶寬起步環境下提高十分的陡峭的內容輸出瓦數。 HMC447LC3利用貼合RoHS規范標準的3x3 mm的無引腳SMT封裝形式,有露外的保護接地焊盤。
|
品牌
|
型號
|
貨期
|
庫存
|
|
ADI
|
HMC447LC3
|
1周
|
100
|
如果您所需定購HMC447LC3,請點擊事件左下售后聯絡公司!!!
HMC447LC3應用
-
點對點/多點無線電
-
VSAT無線電
-
光纖產品
-
測試設備
HMC447LC3優勢和特征
-
很寬的帶寬
-
超低SSB相位噪聲: -150 dBc/Hz
-
輸出功率: -4 dBm
-
單直流電源: +5V
-
符合RoHS標準的3x3 mm SMT封裝
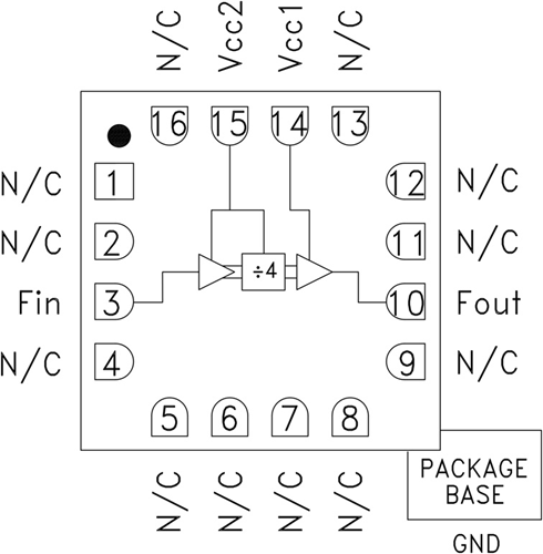
HMC447LC3示意圖

深圳市立維創展科技代理銷售ADI現貨產品,致力于為廣大客戶提供低價格、高質量、有保障的產品,提供優質的售前與售后服務技術。如您有任何產品需求以及服務請聯系我們客服人員,我們會再第一時間內為您解決問題。