HMC394LP4低背景噪聲GaAs HBT可程序編程5位計數法器 現貨交易
上線時候:2019-02-26 17:20:32 看:1781
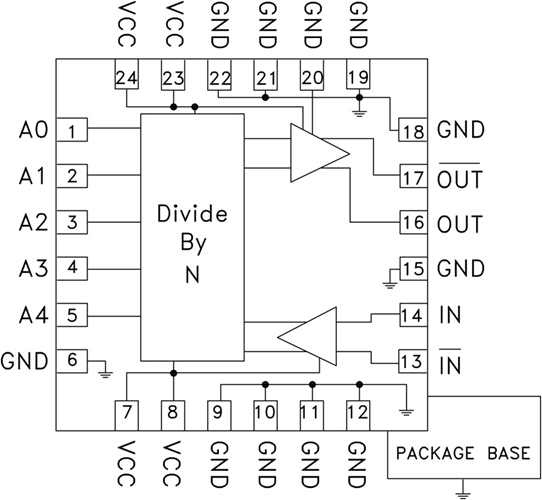
HMC394LP4(E)是一種款低噪音風機源GaAs HBT可程序語言5位運算器,采用了4x4 mm無鉛界面貼裝二極管封裝。 在搜索速率萬代高達2.2 GHz時,該配件可在N為2至32區間來進行連著分頻。 輸出的電流值擺幅為800 mV,占空比與N成正比。100 kHz紊亂時,該運算器的加性SSB相位噪音污染源低至?153 dBc/Hz,十分比較合適低噪音風機源速率組成器技術應用。
|
品牌
|
型號
|
貨期
|
庫存
|
|
ADI
|
HMC394LP4
|
1周
|
90
|
如果您需用消費HMC394LP4,請彈框右面人工服務練習咱們!!!
應用
優勢和特征
-
SSB相位噪聲: -153 dBc/Hz(100 kHz)
-
可選分頻:2至32
-
并行5位控制
-
寬輸入功率范圍: -20至+10 dBm
-
4x4 mm無鉛SMT封裝
示意圖

深圳市立維創展科技代理銷售ADI現貨產品,致力于為廣大客戶提供低價格、高質量、有保障的產品,提供優質的售前與售后服務技術。如您有任何產品需求以及服務請聯系我們客服人員,我們會再第一時間內為您解決問題。