欧洲一区二区-欧美激情一区二区-国产激情在线-欧美在线一区二区

LTM9013IY-AA#PBF光纖寬帶接受器300MHz 原裝機現貨交易

分(fen)享(xiang)時間段:2019-02-27 11:47:25     訪問(wen):1678

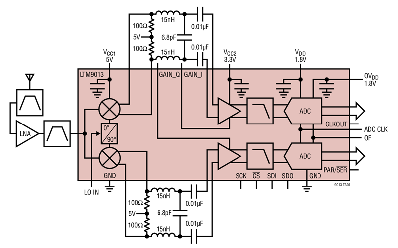
LTM9013IY-AA#PBF是(shi)一款 300MHz 寬帶(dai)接收器(qi)。該器(qi)件采用(yong)集成系統級(ji)封(feng)裝 (SiP) 技術,是(shi) μModule® (微(wei)型模塊) 接收器(qi),內置一個(ge)雙通(tong)道高速 14 位 A/D 轉(zhuan)換器(qi)、低通(tong)濾(lv)波器(qi)、差分增(zeng)益級(ji)和一個(ge)正交解調器(qi)。

LTM9013IY-AA#PBF極其適當于網絡帶寬 I/Q 收發器應用領域,其 AC 性能方面涉及 59dB SNR 和 1.3dB 次數平整度 (從 DC 至 300MHz)。在該電子元件的外邊實用一兩個高通驍龍濾波器或簡易的 AC 解耦,以滿足開發靈活多變性。集定型片內網絡帶寬干式變壓器在 RF 輸進端上出具一兩個 50Ω 單端界面。 是同一款 5V 電復雜為解調器用電,而是同一款 3.3V 電則適用于給 IF 調大器用電,以控制最低的偏色。是同一款 1.8V 電禁止連接低工作效率 ADC 運營。是同一款 隨便的所在電會使 DDR LVDS 所在可以能夠 1.8V 思維模式線路。是同一款 可任選的多路復接器禁止兩清算通道使用每根羅馬數字所在傳輸線。是同一款 任選的秒表占空比穩定可靠器在全速和許多種秒表占空比必備條件下控制了高功能。
品牌 型號 貨期 庫存
ADI LTM9013IY-AA#PBF 1周 200

如若您需要購買LTM9013IY-AA#PBF,請點擊右側客服聯系我們!!!

LTM9013IY-AA#PBF應用


  • 電信
  • 寬帶、低 IF 接收器
  • 數字預失真接收器

  • 蜂窩基站


LTM9013IY-AA#PBF優勢和特征

  • 集成型 I/Q 解調器、IF 放大器、和雙通道 14 位、310Msps 高速 ADC
  • 外部高通濾波器允許進行帶寬調節
  • 用于每個通道的 300MHz 低通濾波器
  • RF 輸入頻率范圍:0.7GHz 至 4GHz
  • 50Ω 單端 RF 端口
  • 50Ω 差分 LO 端口
  • 頻率平坦度:1.3dB (典型值)
  • 在 -7dBFS 具有 66dBc IM3 電平
  • 在 -1dBFS 具有 59dB SNR
  • 并聯 DDR LVDS 輸出
  • 時鐘占空比穩定器
  • 低功率:2.6W
  • 停機和打盹模式
  • 15mm x 15mm BGA 封裝

LTM9013IY-AA#PBF示意圖

深圳市立維創展科技代理銷售ADI現貨產品,致力于為廣大客戶提供低價格、高質量、有保障的產品,提供優質的售前與售后服務技術。如您有任何產品需求以及服務請聯系我們客服人員,我們會再第一時間內為您解決問題。


分享最新資訊
  • 關于THUNDERLINE-Z產品申明
    關于THUNDERLINE-Z產品申明 2020-10-14 15:54:05 鄭州市立維創展科技工司是有限的工司,是美利堅共和國THUNDERLINE-Z & Fusite茶葉品牌在全國的認證推廣方式商,其合金金屬的玻璃隔絕接線端子排,已范圍廣操作于航天科技、軍事、光纖通信等高安全性業務領域。
  • CMD283C3超低噪聲MMIC放大器現貨庫存
    CMD283C3超低噪聲MMIC放大器現貨庫存 2025-08-22 16:41:29 Custom MMIC(現屬 Qorvo)的 CMD283C3 非常低吵音 MMIC 增加器采用了 3x3 mm 無引線淘瓷 QFN 封裝類型,頻段范圍圖 2 - 6 GHz,具備高增益控制、低吵音、低功率等形態,主要用于 S/C 波長多范疇。