HMC461LP3E雙的通道MMIC變大器 1w高IP3變大器 ADI現貨交易
推(tui)出時間間隔:2018-06-26 11:49:49 閱(yue)覽(lan):1953
HMC461LP3(E)就是款1.7 - 2.2 GHz高輸送IP3 GaAs InGaP異質結雙正負極尖晶石管(HBT)雙入口通道MMIC調大器。 它在單一ibms線路中,提拱兩個人HMC455LP3高IP3驅動安裝器的線形性能指標,可在取舍性或推挽調大器線路中配備。 該調大器提拱12 dB的增益值和+30.5 dBm的過飽和耗油率(當PAE為48%時),選用+5 Vdc單交流電源,時適用取舍性配備的外觀巴倫。
因為具有著+45 dBm的高傳輸IP3,再緊密結合1.2:1的低VSWR,因HMC461LP3(E)變成非常適合PCS/3Gwifi手機條件安全設施的非常完美控制調小器。 雙MMIC調小器智能家居控制電路板選用節省成本低的無引腳3x3 mm QFN界面貼裝打包封裝(LP3)。 LP3展示露出基極以做到很棒的RF和導熱效果。
|
品牌
|
型號
|
描述
|
貨期
|
庫存
|
|
ADI
|
HMC461LP3
|
1瓦特高IP3放大器,采用SMT封裝,1.7 - 2.2 GHz
|
現貨
|
278
|
HMC461LP3應用(yong)
-
多載波系統
-
GSM、GPRS和EDGE
-
CDMA和W-CDMA
-
PHS
-
可配置平衡或推挽
HMC461LP3優勢和特點
-
+45 dBm輸出IP3(平衡配置)
-
增益:12 dB
-
PAE為48%(Pout為+30.5 dBm時)
-
+20 dBm的W-CDMA通道功率(ACP為-45 dBc時)
-
3x3 mm QFN SMT封裝
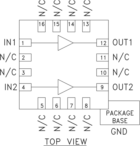
HMC461LP3結構圖
