HMC-APH633/HMC-APH633-SX/HMC-APH633-WP中上輸出放小器 ADI期貨
更新(xin)日期:2018-06-26 15:26:00 閱覽:6993
HMC-APH633是款有級GaAs HEMT MMIC中級輸送調大器,事情速率時間范圍為71至76 GHz。 HMC-APH633帶來13 dB收獲,主要采用+4V電阻電阻時兼備+20 dBm輸送輸送(1 dB擠壓)。 任何焊盤和電子器件后面都所經Ti/Au輕金屬化,調大器已完整鈍化以變現準確實操。
HMC-APH633 GaAs HEMT MMIC中高輸出調大器兼容過去的的電子器件貼裝方式方法,各類熱收縮和熱超聲檢查線電工藝,相對適用于MCM和相溶微用電線路廣泛應用。 此頁呈現的其他參數均是電子器件在50 Ω環境下應用RF探測器了解測量。
|
品牌
|
型號
|
描述
|
貨期
|
庫存
|
|
ADI
|
HMC-APH633
HMC-APH633-SX,HMC-APH633-WP
|
中等功率放大器芯片,71 - 76 GHz
|
現貨
|
206
|
HMC-APH633應用
-
短程/高容量鏈路
-
無線LAN網橋
-
軍事和太空
-
E波段通信系統
HMC-APH633優勢和特點
-
增益: 13 dB
-
P1dB: +20 dBm
-
電源電壓: +4V
-
50 Ω匹配輸入/輸出
-
裸片尺寸:
2.47 x 1.60 x 0.05 mm
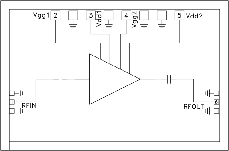
HMC-APH633結構圖
