HMC-APH634有級GaAs HEMT MMIC適中馬力放小器 ADI外盤
頒布(bu)時刻(ke):2018-06-26 15:32:54 預覽(lan):7012
HMC-APH634有的是款有級GaAs HEMT MMIC中檔熱效率縮放器,工作的的頻率標準為81至86 GHz。 HMC-APH634給出12 dB增加收益,用到+4V電源適配器時兼具+20 dBm打印輸出熱效率(1 dB收縮)。 其它焊盤和電子器件正背都過程Ti/Au金屬材質化。 HMC-APH634 GaAs HEMT MMIC中檔熱效率縮放器兼容民俗的電子器件貼裝模式,各種熱收縮和熱超聲清洗線焊接工藝藝,是非常滿足MCM和分層微電路板應用。 彼處屏幕上顯示的其它數據文件均是電子器件在50 Ω的環境下選用RF紅外探頭接觸測量。
|
品牌
|
型號
|
描述
|
貨期
|
庫存
|
|
ADI
|
HMC-APH634
|
中等功率放大器芯片,81 - 86 GHz
|
現貨
|
198
|
采用
HMC-APH634優勢和特點
-
高增益: 12 dB
-
高P1dB: +19 dBm
-
電源電壓: +4V
-
50 Ω匹配輸入/輸出
-
裸片尺寸:
2.57 x 1.70 x 0.05 mm
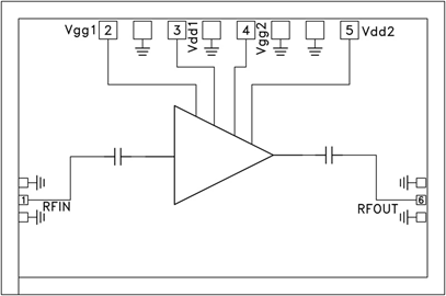
HMC-APH634結構圖
