HMC-AUH318/HMC-AUH318-SX高動態性區間的三級視頻適中瓦數調大器 ADI現貨交易
發布(bu)公告日子:2018-06-26 16:01:41 瀏覽(lan)器:7588
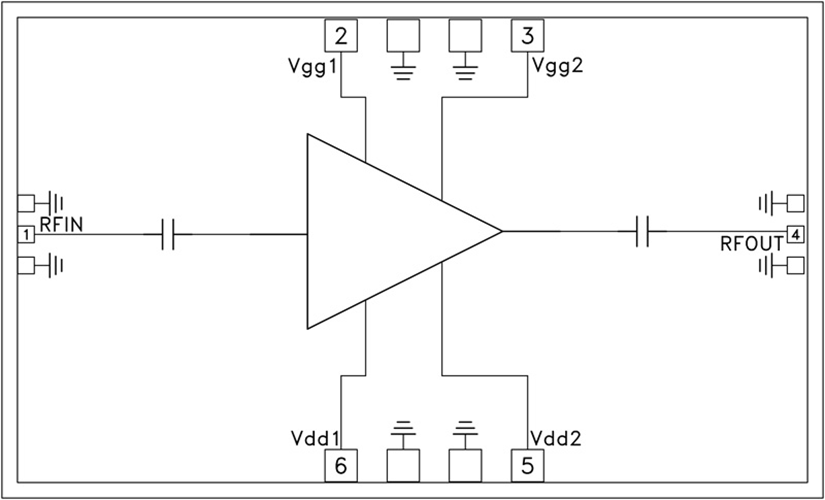
HMC-AUH318就是一款高日常動態的范圍的四級GaAs HEMT MMIC中低操作線電壓增加器,在71至76 GHz的頻帶寬度下操作。 HMCAUH318可以打造24 dB的增加收益,在1 dB進行壓縮的點可以打造+17.5 dBm的傷害操作線電壓,適用+4V交流電源線電壓。 大部分焊盤和集成電路板基帶基帶芯片背后都要經過Ti/Au金屬材質化。 HMC-AUH318 GaAs HEMT MMIC中低操作線電壓增加器可兼容通常的集成電路板基帶基帶芯片貼裝方案,或熱進行壓縮的和熱超聲檢查線焊,非常的符合MCM和攪拌微電路板采用。 此頁顯現的大部分信息均是集成電路板基帶基帶芯片在50 Ohm的環境下操作RF攝像頭玩測量。
|
品牌
|
型號
|
描述
|
貨期
|
庫存
|
|
ADI
|
HMC-AUH318
HMC-AUH318-SX
|
中等功率放大器芯片,71 - 76 GHz
|
現貨
|
267
|
HMC-AUH318應用
HMC-AUH318優勢和特點
-
增益: 24 dB
-
P1dB: +17.5 dBm
-
電源電壓: +4V
-
50 Ω匹配輸入/輸出
-
裸片尺寸:
2.65 x 1.60 x 0.05 mm
HMC-AUH318結構圖
