HMC-AUH320/HMC-AUH320-SX3級適中馬力放小器 ADI外盤
發布(bu)消息周期:2018-06-27 11:44:10 觀看:2725
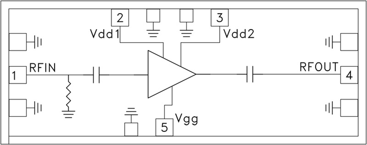
HMC-AUH320有的是款高各式各樣領域的四個維度GaAs HEMT MMIC中級馬力放小器,在71至86 GHz的次數下上班。 HMC-AUH320在74 GHz次數下給出16 dB的增益控制,在1 dB壓縮成點給出+15 dBm的效果馬力,利用+4V電的電壓。 很多焊盤和處理器背部都經歷過Ti/Au合金金屬化,放小器元器件已基本鈍化以實行靠譜控制。
HMC-AUH320 GaAs HEMT MMIC中高工率放小器可兼容常規的集成電源線路存儲芯片貼裝的方法,或是熱縮短和熱超聲清洗線焊,是適當MCM和搭配微電源線路選用。 此地體現的整個的數據均是集成電源線路存儲芯片在50 Ohm環保下運用RF紅外探頭觸及得出。
|
品牌
|
型號
|
描述
|
貨期
|
庫存
|
|
ADI
|
HMC-AUH320
HMC-AUH320-SX
|
中等功率放大器芯片,71 - 86 GHz
|
現貨
|
233
|
HMC-AUH320應用
-
短程/高容量鏈路
-
無線LAN網橋
-
汽車雷達
-
軍事和太空
-
E波段通信系統
HMC-AUH320優勢和特點
-
增益: 16 dB (76 GHz)
-
P1dB: +15 dBm
-
電源電壓: +4V
-
50 Ω匹配輸入/輸出
-
裸片尺寸:
2.20 x 0.87 x 0.1 mm
HMC-AUH320結構圖
