HMC442LM1/HMC442LM1TR效率變小器 ADI現貨交易
公布期限:2018-06-27 16:42:54 瀏覽網頁:1958
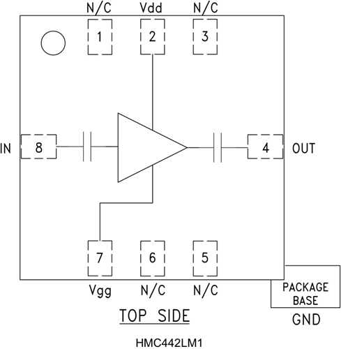
HMC442LM1是款移動移動寬帶17.5至24 GHz GaAs PHEMT MMIC中高電效率縮放器,分為SMT無引腳IC集成ic質粒載體裝封。 LM1分為原本的表貼移動移動寬帶分米波裝封,保證低消耗的資金和漂亮的I/O適配,并始終維持MMICIC集成ic耐磨性。 該縮放器保證14 dB增益值,飽和狀態電效率為+23 dBm(27% PAE時),開關電源額定電壓為+5V。
50 Ω搭配擴大器在RF鍵入和輸出精度端上集成式隔直,比較適用來直線增益值控制器、反射鏈win7控制器或HMC SMT混頻器LOwin7控制器。 是 單片機芯片和線纜混后配置文件的代替品元器件,HMC442LM1不用再線焊,因此為客人提供了完全一致的標準接口。
|
品牌
|
型號
|
描述
|
貨期
|
庫存
|
|
ADI
|
HMC442LM1
HMC442LM1TR
|
中等功率放大器,采用SMT封裝,17.5 - 24.0 GHz
|
現貨
|
212
|
HMC442LM1應(ying)用
HMC442LM1優勢和特點
-
飽和功率: +23 dBm (27% PAE)
-
增益: 14 dB
-
電源電壓: +5V
-
50 Ω匹配輸入/輸出
HMC442LM1結構圖
