職業知識
上線日期:2018-06-27 17:23:18 訪問(wen) :7416
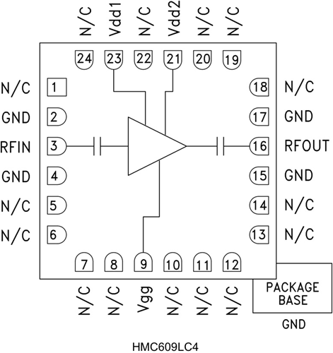
HMC609LC4有的是款GaAs PHEMT MMIC低躁(zao)(zao)聲放縮(suo)器(LNA),運行幾率范疇為(wei)2至4 GHz。 HMC609LC4在(zai)整運行頻段內(nei)具備有好品質的崎(qi)嶇不平性能(neng)方面(mian)性能(neng)指標,包(bao)擴(kuo)20 dB小預警增加收益(yi)、3.5 dB躁(zao)(zao)聲因子和(he)+36.5 dBm工作輸出IP3。 50 Ω一致放縮(suo)器不能(neng)自(zi)己(ji)所(suo)有外觀一致電氣元件。 HMC609LC4可(ke)以(yi)使用(yong)高數量表貼生產(chan)高技(ji)術,且RF I/O經隔(ge)直以(yi)進(jin)一個(ge)步驟(zou)有助于模塊化(hua)。
品牌
型號
描述
貨期
庫存
ADI
HMC609LC4
HMC609LC4TR
低噪聲放大器,采用SMT封裝,2 - 4 GHz
現貨
203
HMC609LC4應(ying)用
HMC609LC4優勢和特點
HMC609LC4結構圖
