欧洲一区二区-欧美激情一区二区-国产激情在线-欧美在线一区二区

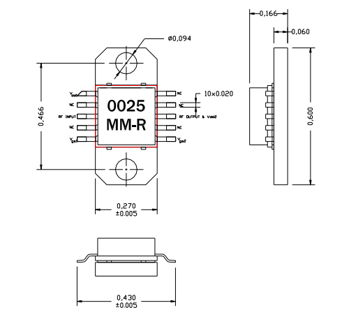
AM002535MM-EM-R微波通信射頻微波通信效率變小器處理芯片 原版庫存盤點

發布信(xin)息的時間:2019-11-07 14:38:47     預覽(lan):2448

AM002535MM-EM-R是AMCOM裝修公司的砷化鎵MMIC最大功率調大器,該MMIC微波通信射頻微波通信耗油率調大器電源芯片軟件是指GaAs功(gong)率(lv)放(fang)大(da)器與功(gong)率(lv)放(fang)大(da)器芯片等,并針對VSAT和TU應用產品,具(ju)有電(dian)路(lu)損耗小,噪聲(sheng)低、頻帶寬、動態(tai)范(fan)圍大(da)、功(gong)率(lv)大(da)、附加(jia)效率(lv)高、抗電(dian)磁輻射能力強(qiang)等特點

AM002535MM-EM-Rrf射頻微波射頻耗(hao)油率縮放器(qi)單片機芯片高增益值24dB34噪音分貝模擬輸出馬(ma)力在0.03到2.5 GHz波長該MMIC都是個衛(wei)浴陶瓷二極管封(feng)口(kou),還(huan)具有頻射和直流電源(yuan)引線在二極管封(feng)口(kou)的(de)最低(di)層(ceng),方面(mian)低(di)制造費(fei)的(de)SMT裝(zhuang)配到(dao)PC板上。MS包兼(jian)備與FM封(feng)裝(zhuang)一樣的(de)拆遷賠償表面(mian)積,所采(cai)用(yong)直電纜和銅/鎢(wu)蝶閥法蘭用(yong)作銅輪(lun)緣。這類MMIC是契合RoHS的(de)。

AM002535MM-EM-R射頻微波功率放大器芯片 原裝庫存 

AM002535MM-EM-Rrf射頻紅外光輸出縮放器集(ji)成塊(kuai)寬泛使(shi)用在繁多(duo)一流的(de)紅外光往返(fan),戰(zhan)法火箭彈、電子設備(bei)戰(zhan)、流量(liang)系統(tong)、陸海空基的(de)繁多(duo)一流的(de)相控陣預警(jing)(jing)聲納(特殊是機載和(he)星載預警(jing)(jing)聲納),技術應用方面還包括PC軟件wifi電、儀表板醫療儀器、增加(jia)收(shou)益(yi)塊等

AM002535MM-EM-R重要的參數值

頻點:0.03-2.5GHz

增益值:24

P1dB(DBM):34

PSAT(DBM):35

錯誤率:25

VD(V):20

鄭州市立維創展社會是(shi)AMCOM品(pin)牌總POS機代理,其具體微(wei)波微(wei)波射(she)頻(pin)寬帶網絡(luo)產品(pin)具有(you)微(wei)波射(she)頻(pin)納米線管、MMIC熱效率放(fang)(fang)小(xiao)器(qi)(qi)(qi)、相溶放(fang)(fang)小(xiao)器(qi)(qi)(qi)接口、光纖寬帶放(fang)(fang)小(xiao)器(qi)(qi)(qi)、高(gao)熱效率放(fang)(fang)小(xiao)器(qi)(qi)(qi)接口、帶RF和DC接觸(chu)器(qi)(qi)(qi)的高(gao)電(dian)機輸(shu)出變(bian)成(cheng)(cheng)器(qi)(qi)(qi)摸塊和低噪音變(bian)成(cheng)(cheng)器(qi)(qi)(qi),電(dian)機輸(shu)出變(bian)成(cheng)(cheng)器(qi)(qi)(qi),電(dian)源開關,衰減器(qi)(qi)(qi),移相器(qi)(qi)(qi)并且上/下側直流軟啟動的設計。

選擇咨詢
  • 關于THUNDERLINE-Z產品申明
    關于THUNDERLINE-Z產品申明 2020-10-14 15:54:05 東莞市立維創展科技發展有局限司,是美式THUNDERLINE-Z & Fusite知名品牌目前在國內國的受權途徑商,其不銹鋼的玻璃密封墊接線端子排,已非常業務領域的應用業務領域于航空航天、中國國防、通訊技術等高信得過性業務領域。
  • ?RT06128SNHEC03圓形連接器現貨庫存
    ?RT06128SNHEC03圓形連接器現貨庫存 2025-08-21 16:44:03 RT06128SNHEC03 是 Amphenol 退出的正方形接觸器,具備高比較穩定性可靠性的制定結構與良好性能方面,學習工作環境抵擋本事強,能替換二手車智能、工控設備自行化等對學習工作環境適應環境性讓嚴格的領域。