職業內容
發布(bu)信息的時間:2019-11-12 11:47:19 搜(sou)索:2072
AM009023WM-EM-R功效擴大器是AMCOM機構的過寬帶砷化鎵MMIC,該變小器具備25分貝的高增益值,從50MHz到9GHz頻段的23dBm傷害工作效率,噪聲系數為4.5分貝至4赫茲,如果與50歐(ou)姆匹配的輸(shu)入(ru)/輸(shu)出

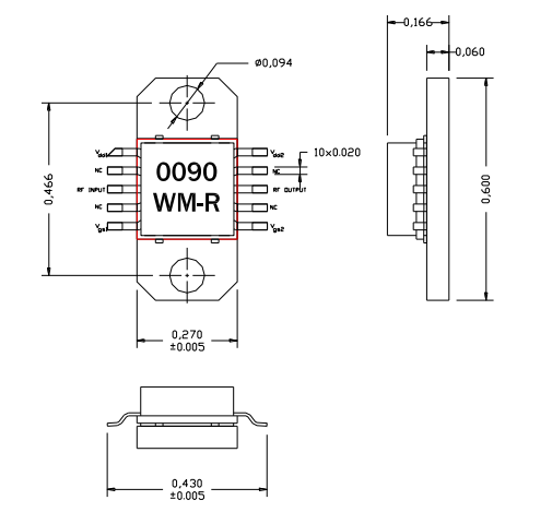
AM009023WM-EM-R輸出功率變大器的裝封左下角可能(neng)含有rf射頻和電流引(yin)線,于將低料工費(fei)SMT裝配到PC上。AM009023WM-EM-R更具直(zhi)引線和銅(tong)/鎢卡箍用作銅(tong)卡箍,法蘭部有兩個人螺孔,方能(neng)擰上金屬質排熱器。不(bu)符合(he)RoHS,app域各(ge)自是軟件下載遠(yuan)程電、儀盤表、收獲塊、低嗓聲應運等
AM009023WM-EM-R至關重要技術參數
頻率(lv):0.05-9GHz
增(zeng)益值:21
P1dB(DBM):21
PSAT(DBM):23
生產率(lv):20
VD(V):12
廣(guang)州(zhou) 市立維創展技術(shu)是(shi)AMCOM新公司總經銷商商,其主要(yao)是(shi)微(wei)波加熱網(wang)絡帶寬(kuan)品牌(pai)有rf射頻單晶體(ti)管(guan)、MMIC電效率(lv)縮(suo)放器(qi)(qi)、搭(da)配縮(suo)放器(qi)(qi)控(kong)制版(ban)塊(kuai)、寬(kuan)帶網(wang)縮(suo)放器(qi)(qi)、高電效率(lv)縮(suo)放器(qi)(qi)控(kong)制版(ban)塊(kuai)、帶RF和DC進(jin)行電源連接器(qi)(qi)的高公率(lv)擴大(da)器(qi)(qi)模塊(kuai)圖片和低的噪音擴大(da)器(qi)(qi),公率(lv)擴大(da)器(qi)(qi),旋轉開關(guan),衰減器(qi)(qi),移相(xiang)器(qi)(qi)及上/下方直(zhi)流變頻空(kong)調器(qi)(qi)的開發(fa)。