行業內訊息
公布的時期:2019-11-14 10:56:28 查看:3364
HMC8410-DIE低嗓聲調大器是ADI集團的1款砷化鎵、單心片(pian)MMIC和假(jia)晶高(gao)電子知識率結晶體管的縮放器,該變大器內(nei)外部自動匹配50 Ω,運轉規律超范圍為0.01 GHz至10 GHz,提高19.5 dB主要增加收益、1.1 dB其最典(dian)型的(de)的(de)噪音彈性系數和33 dBm典(dian)例效果IP3
HMC8410-DIE低環境噪聲調小(xiao)器的選(xuan)用區域為(wei)手機軟件定位(wei)wifi電、電子為了滿足電子時(shi)代發展(zhan)的需求,戰和汽車雷達(da)適用(yong),產(chan)品(pin)報價為(wei)$32.85
注重性(xing)能參數(shu)
概(gai)率:0.01 GHz至10 GHz
低躁音彈性系(xi)數:1.1 dB
高增加收益:19.5 dB
高效果三階交調截點(dian)(IP3):33 dBm

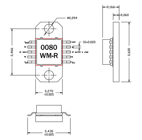
AM008030WM-EM-R調小器是AMCOM企業的1款超高帶砷化(hua)鎵MMIC,該放小器(qi)顯示/內容輸出識(shi)別50歐姆,體(ti)現了18dB的高(gao)收獲,況(kuang)且(qie)>0.05GHz至(zhi)10GHz頻段28dBm轉換(huan)效率。AM008030WM-EM-R的應(ying)用圖片軟件教育領域為圖片軟件無線wifi電(dian)、儀表(biao)板和增(zeng)益值塊
核心運作
幀率:0.05-10GHz
增益(yi)控制(zhi):18
P1dB(DBM):30
PSAT(DBM):31
效果:20
VD(V):12
與(yu)HMC8410-DIE相較于,AM008030WM-EM-R調大(da)器雖不能ADI新公(gong)司的(de)的(de)產(chan)品出名度提高,但也(ye)是時代國(guo)際大公(gong)司,因此參數表、適(shi)用(yong)也(ye)絕不遜與(yu)HMC8410-DIE,AM008030WM-EM-R拖動器價錢優惠(hui)、高(gao)特(te)點有時皮實,喜愛咨詢公司立(li)維創展。