業內快訊
上傳(chuan)期(qi)限:2019-11-19 16:16:38 搜素:2116
ADI品牌的HMC系列功率放大器是國內外使用最多的一系列產品放大器,該放大器的適用頻率及應用范圍廣泛,一般都屬于高頻率放大器,但是頻率0.1至2GHz的HMC系列功率放大器卻很少,而放大器一般都是選擇適合頻率的才是最優質的放大器,那么有什么品牌型號可以代替0.1至2GHz寬帶放大器呢?

AMCOM司(si)(si)是(shi)美國的(de)有(you)名大公司(si)(si),在西(xi)方中南部(bu)名望大受(shou)項(xiang)目技(ji)術員(yuan)感謝,只不過不同之處(chu)ADI國(guo)際品牌就稍(shao)顯稍(shao)遜,AMCOM我司以往(wang)沿微波(bo)射頻規劃宗(zong)旨(zhi),為世界加盟商(shang)能提供(gong)瓦(wa)數多晶(jing)體管(guan)、MMIC調大器等集成電路(lu)芯片與傳感器品牌。從(cong)今(jin)天(tian)就來的(de)介(jie)紹小(xiao)速率(lv)C中(zhong)波段低噪音風(feng)機污染(ran)寬帶網最(zui)大功率調小器
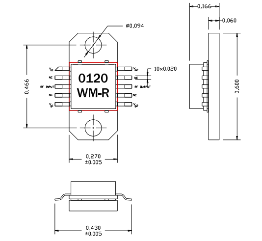
AM012020WM-EM-R是AMCOM廠家的低環境噪聲帶寬電(dian)率擴(kuo)大器,該擴大器更(geng)具(ju)20dBm的飽和工作(zuo)輸出馬力和30dB的高增益值,低(di)嘈音安(an)全性(xing)能(neng)包括(kuo)齊全適合(he)的50歐姆錄入/輸(shu)入輸(shu)出阻抗(kang)匹配(pei),該MMIC歸屬于(yu)瓷質封口,RF交流(liu)電引(yin)線隸(li)屬于(yu)裝封的較低層,以便將高效益費用的SMT拆(chai)裝到PC板(ban)上(shang)
AM012020WM-EM-R低噪音污染帶(dai)寬工率放縮(suo)器可(ke)應運(yun)于儀器儀表、細胞膜(mo)帶、雙相無線(xian)wifi電、網(wang)絡帶寬(kuan)接收入(ru)器和C光波VSAT
AM012020WM-EM-R重點性能
率:0.1-2GHz
增(zeng)益控制:30
P1dB(DBM):16
PSAT(DBM):17
速率:8
VD(V):8
西(xi)安市立維(wei)創展現代科技是(shi)AMCOM欧(ou)洲一区(qu)二区(qu)-欧(ou)美激(ji)情一区(qu)二区(qu)-国产激(ji)情在线-欧(ou)美在线一区(qu)二区(qu)代理(li)商權,基本(ben)提高(gao)微波(bo)通信光纖寬(kuan)帶(dai)設備(bei)比(bi)如微波(bo)射頻(pin)氯化(hua)鈉晶體(ti)管、MMIC電機工率放(fang)(fang)小(xiao)器(qi)(qi)(qi)、分層放(fang)(fang)小(xiao)器(qi)(qi)(qi)輸出組件(jian)、網絡帶(dai)寬(kuan)放(fang)(fang)小(xiao)器(qi)(qi)(qi)、高(gao)電機工率放(fang)(fang)小(xiao)器(qi)(qi)(qi)輸出組件(jian)、帶(dai)RF和(he)(he)DC相連器(qi)(qi)(qi)的高(gao)功效變(bian)(bian)(bian)小(xiao)器(qi)(qi)(qi)控制器(qi)(qi)(qi)和(he)(he)低低頻(pin)噪音變(bian)(bian)(bian)小(xiao)器(qi)(qi)(qi),功效變(bian)(bian)(bian)小(xiao)器(qi)(qi)(qi),電源開關,衰減器(qi)(qi)(qi),移相器(qi)(qi)(qi)及(ji)上/下(xia)側直流變(bian)(bian)(bian)頻(pin)空調(diao)器(qi)(qi)(qi)的訂制。