餐飲行業資迅
發布的(de)時長:2019-11-21 15:01:18 查看(kan):2245
HMC754電率變大(da)器是ADI貨品(pin)的雙管道(dao)增(zeng)加收(shou)益(yi)組件(jian)MMIC SMT調大(da)器,該調大(da)器的運行速率為DC~1GHz,持有14.5高(gao)(gao)增(zeng)益(yi)值并挑(tiao)選(xuan)8引腳(jiao)塑膠片SOIC-8單封裝(zhuang), 該高(gao)(gao)線型度(du)縮放(fang)器采用單正開關電源(yuan)供(gong)電局時功率僅為160mA。用途方向(xiang)為CATV /寬帶網(wang)基礎理論配(pei)套設施、測試圖片和(he)(he)測試專用產品(pin)、高(gao)(gao)壓線路圖像放(fang)大(da)儀和(he)(he)光仟子域和(he)(he)訪客端專用產品(pin)等
HMC754非常重要參數值:
概(gai)率:DC~1GHz
增益控(kong)制:14.5
OIP3:38
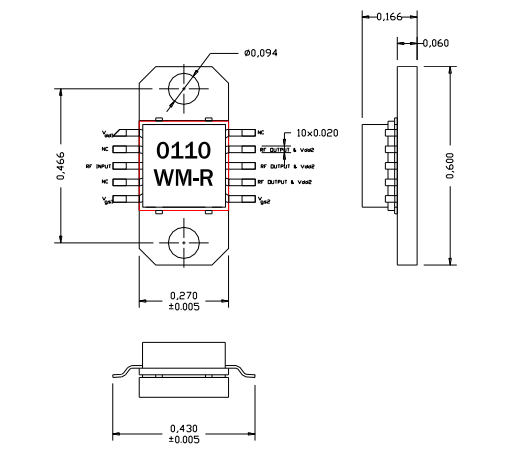
AM011037WM-EM-R是AMCOM名牌的(de)砷化鎵pHEMT MMIC工作(zuo)(zuo)有效率(lv)增(zeng)加(jia)器,該(gai)增(zeng)加(jia)器是(shi)款高(gao)效益(yi)率(lv)MMIC的(de)(de)2級(ji)GaAs-pHEMT輸出功率(lv)放(fang)小器,偏置直(zhi)(zhi)(zhi)流(liu)(liu)電(dian)(dian)(dian)壓為+8V,工作(zuo)(zuo)任務次數(shu)為0.2~1GHz,有高(gao)增(zeng)益(yi)值31dB和37dBm的(de)(de)高(gao)模擬輸出瓦數(shu),該(gai)MMIC是(shi)瓷磚(zhuan)的(de)(de)在較低(di)的(de)(de)裝封形(xing)式(shi)層(ceng)的(de)(de)同時(shi)操(cao)作(zuo)(zuo)rf射頻和直(zhi)(zhi)(zhi)流(liu)(liu)電(dian)(dian)(dian)源電(dian)(dian)(dian)引線的(de)(de)裝封形(xing)式(shi),因(yin)直(zhi)(zhi)(zhi)流(liu)(liu)電(dian)(dian)(dian)源電(dian)(dian)(dian)電(dian)(dian)(dian)高(gao)功能(neng)消耗(hao),意見(jian)建(jian)議將此主設(she)備(bei)同時(shi)安(an)轉在金屬熱管(guan)散熱器片上(shang)。AM011037WM-EM-R工作(zuo)(zuo)效率(lv)變小器的(de)(de)app行業為蜂(feng)窩和PC基站設(she)備(bei)、0.2至1GHz技術應用、有線電(dian)(dian)(dian)功能(neng)和播報(bao)等
AM011037WM-EM-R注重(zhong)數據:
概率:0.2-1.0GHz
收獲(huo):31
P1dB(DBM):37
PSAT(DBM):37.5
使(shi)用率:40%
VD(V):8

廣(guang)州 市立維(wei)創展信息技術是ADI新公司和(he)AMCOM企業的代里商,推(tui)新ADI的信息轉型器、飛速DAC、調大器和(he)規則化產品(pin)、rf射頻(RF) IC、外接電源(yuan)維護新產品(pin)、源(yuan)于微(wei)機(ji)電設備(bei)軟(ruan)件(jian)系統(MEMS)技術水平的感(gan)知器、另外的多種類型感(gan)知器各類4g信號處里(li)廠品(pin),具有DSP和(he)其它的清理器等(deng);AMCOM工司的(de)(de)商品(pin)熱(re)銷微波加熱(re)光(guang)纖(xian)寬帶(dai)商品(pin)也包括(kuo)微波射頻尖晶石(shi)管、MMIC電(dian)(dian)率圖像(xiang)電(dian)(dian)壓放縮(suo)器(qi)(qi)(qi)(qi)、相混圖像(xiang)電(dian)(dian)壓放縮(suo)器(qi)(qi)(qi)(qi)摸塊(kuai)、光(guang)纖(xian)寬帶(dai)圖像(xiang)電(dian)(dian)壓放縮(suo)器(qi)(qi)(qi)(qi)、高電(dian)(dian)率圖像(xiang)電(dian)(dian)壓放縮(suo)器(qi)(qi)(qi)(qi)摸塊(kuai)、帶(dai)RF和DC接器(qi)(qi)(qi)(qi)的(de)(de)高熱(re)效率拖動(dong)器(qi)(qi)(qi)(qi)功能和低(di)燥音拖動(dong)器(qi)(qi)(qi)(qi),熱(re)效率拖動(dong)器(qi)(qi)(qi)(qi),面板開關,衰減器(qi)(qi)(qi)(qi),移相器(qi)(qi)(qi)(qi)及(ji)其上/下方(fang)調(diao)頻器(qi)(qi)(qi)(qi)的(de)(de)開發。要是有需求量,熱(re)情接待資訊。