服務業咨詢
發布新聞時(shi)刻:2019-12-11 11:23:25 瀏覽(lan)訪問:2025
HMC413是ADI的高效益率GaAs InGaP異質結雙導電性硫化鋅管MMIC電率擴大器,該擴大器建議選用低人工成本、外表貼裝16引腳裝封,會有外漏出支撐柱以緩解RF和蒸發器作用,工作頻率為1.6GHz - 2.2GHz,因此挑選不多的靜態開關元件批售22 dB增益控制,達到飽和狀態效率為+29.5 dBm,電原電流電壓為+5V。還待選用3.6V電源模塊高空作業,HMC413的結合范疇涵蓋蜂(feng)窩(wo)/PCS/3G、輕便式裝置和根基裝置、無(wu)線路由本土環(huan)路等

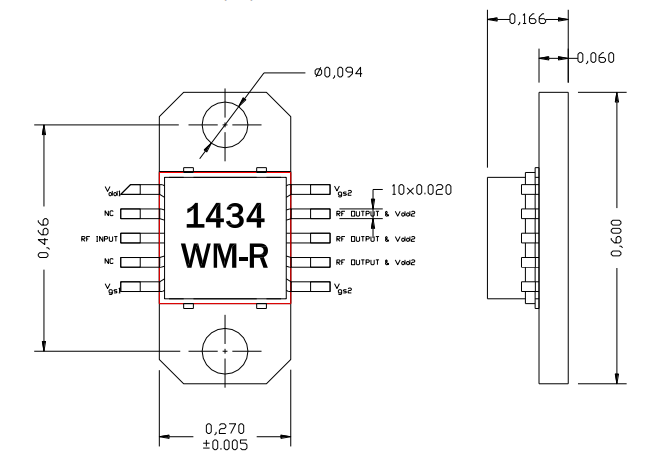
AM143438WM-EM-R瓦數增加器(qi)是AMCOM的(de)砷(shen)化(hua)鎵HiFET MMIC,該MMIC是2級GaAs-pHEMT工(gong)率(lv)調小器(qi),偏置(zhi)端電壓(ya)為10-14V,級間配比網格(ge)涵蓋1.4到3.4GHz,以供給上限(xian)的(de)資(zi)源(yuan)(yuan)帶(dai)寬(kuan)遲鈍性。列如(ru),某個可(ke)以選擇(ze)的(de)測評板(ban)有企及20音貝增(zeng)益控制,38dBm飽和打印輸(shu)出工作(zuo)電壓超過1.5至1.8GHz頻寬(kuan)在12V。另外的(de)2.0到3.0ghz的(de)評定板(ban)在12V時要先(xian)拿到19dB增(zeng)加收益和38dBm的(de)輸(shu)出工率。直流(liu)電源(yuan)(yuan)引線(xian)與用(yong)于的(de)接地的(de)封口底部(bu)共面,盡量當低投資(zi)成本的(de)外表(biao)貼裝(zhuang)組裝(zhuang)到PC板(ban)。
AM143438WM-EM-R的(de)選用(yong)概(gai)念比如:PCS移動通信基站、GPS運(yun)作、MMDS、wifi手機局域網絡中繼器和14V的(de)運(yun)用(yong)等
AM143438WM-EM-R至關重(zhong)要技(ji)術指標
幾(ji)率:1.5GHz - 1.8GHz
收獲(huo):20.5
P1dB(dBm):37.5
PSAT(dBm):38
效應:30
VD(V):12
AMCOM是(shi)美利堅共和國魔幻工率變成器(qi)集成ic大型廠,在(zai)香港國際(ji)有(you)名的度雖不(bu)像ADI的品牌,但也是亞太有名氣(qi)大各個企業,AM143438WM-EM-R拖動器與HMC413變小器(qi)的(de)的(de)頻率和適用人(ren)群層面介于,都可以說幾款(kuan)縮放器(qi)是(shi)可其他(ta)人充(chong)當的,因(yin)為(wei)在市場價格上(shang)卻差值(zhi)大部分,AM143438WM-EM-R增加器較強報價優點(dian),產品高(gao)質(zhi)量靠譜,廣州 市立維創展新材(cai)料技(ji)術是AMCOM與(yu)ADI司的(de)(de)批發商代理商商,提拱AMCOM與(yu)ADI的(de)(de)徽波元(yuan)元(yuan)器和集成(cheng)電路芯(xin)片,追(zhui)捧咨詢了解。