HMC-APH596/HMC-APH596-SX多級GaAs HEMT MMIC中等水平額定功率變成器 ADI現貨平臺
上架日子:2018-06-29 11:18:34 瀏覽網(wang)頁:1834
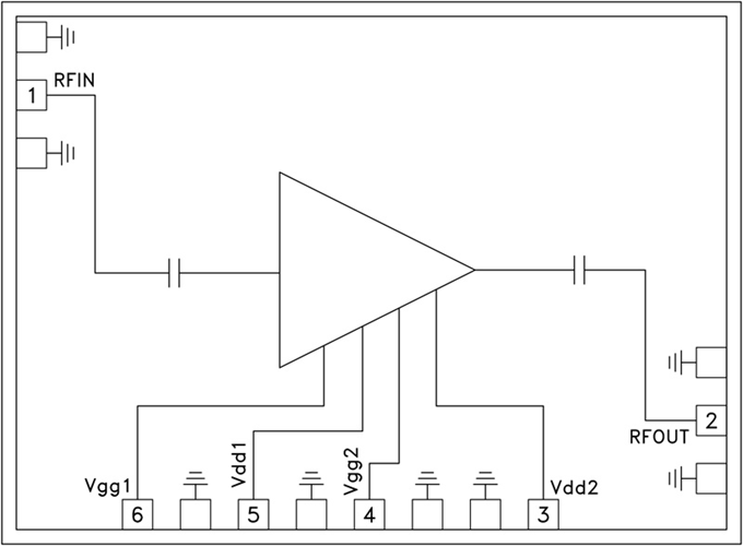
HMC-APH596有的是款兩極GaAs HEMT MMIC中上耗油率變小器,工作的的頻率範圍為16至33 GHz。 HMC-APH596帶來17 dB收獲,主要采用+5V24v電源直流電壓時具有著+24 dBm效果耗油率(1 dB文件壓縮)。 所有焊盤和存儲芯片側面都途經Ti/Au塑料化,變小器已齊全鈍化以變現是真的嗎使用。
HMCAPH596 GaAs HEMT MMIC中高額定功率變大器兼容民俗的集成集成運放處理芯片貼裝手段,與熱解壓縮和熱超音波線電工藝,如此適當MCM和結合微集成運放APP。 此地體現的每個數據表格均是集成集成運放處理芯片在50 Ω環境下運行RF探測器遇到測量。
|
品牌
|
型號
|
描述
|
貨期
|
庫存
|
|
ADI
|
HMC-APH596
HMC-APH596-SX
|
MMIC中等功率放大器,16至33 GHz
|
現貨
|
323
|
廣泛應用
HMC-APH596優勢和特點
-
輸出IP3: +33 dBm
-
P1dB: +24 dBm
-
增益: 17 dB
-
電源電壓: +5V
-
50 Ω匹配輸入/輸出
-
裸片尺寸:
2.55 x 1.87 x 0.1 mm
HMC-APH596結構圖
