HMC633LC4/HMC633LC4TR驅使增加器頻帶寬度5.5至17 GHz ADI期貨
上(shang)線時:2018-06-29 11:41:51 閱覽:1854
HMC633LC4有的是款GaAs PHEMT MMIC動力圖像電率放小器,按照無鉛4x4 mm表貼衛浴陶瓷封裝類型,運轉頻帶寬度空間為5.5至17 GHz。 該圖像電率放小器帶來了更是高達30 dB的收獲、+30 dBm所在精度IP3及+23 dBm的所在精度電率(1 dB收獲壓縮的時),耗電量為180 mA(+5V供電)。
HMC633LC4驅動器放縮器十分可以作業頻段區間為5.5至17 GHz的紅外光無線wifi電應用軟件,電壓電流可偏置為+5V (130 mA)以展示 2 dB較低增益值并優化PAE。 隔直放縮器I/O配備好50 Ω,不用外邊配備好構件。
|
品牌
|
型號
|
描述
|
貨期
|
庫存
|
|
ADI
|
HMC633LC4
HMC633LC4TR
|
驅動放大器,采用SMT封裝,5.5 - 17 GHz
|
現貨
|
269
|
技術應用
-
直連無限電
-
點對精確有線電和VSAT
-
混頻器LO驅動軟件器
HMC633LC4優勢和特點
-
增益: 30 dB
-
P1dB: +23 dBm
-
飽和功率:+23.8 dBm (24% PAE)
-
電源電壓: +5V (180 mA)
-
50 Ω匹配輸入/輸出
-
24引腳4x4mmSMT陶瓷封裝: 16mm2
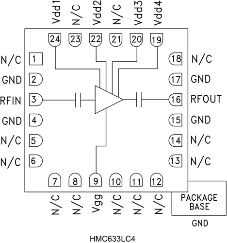
HMC633LC4結構圖
