HMC383LC4/HMC383LC4TR統一MMIC動力調大器 ADI現貨黃金POS機制造商
正式發布準(zhun)確時間:2018-06-29 13:42:06 訪問 :2345
HMC383LC4就是款公用GaAs PHEMT MMIC驅程變成器,用非常符合國家RoHS的規則的無引腳SMT封裝。 該變成器用+5V單電原,收獲控制為15 dB,飽和點事情電壓為+18 dBm。 在全部整個事情頻寬內具有著不一樣的收獲控制和輸送事情電壓,從而可能在幾個有線電頻段用1個公用的驅程器/LO變成器。 隔直RF I/O一致至50 Ω,用省事。 HMC383LC4用非常符合國家RoHS的規則的無引腳4x4 mm 封裝,兼容外層貼裝研發高技術。
|
品牌
|
型號
|
描述
|
貨期
|
庫存
|
|
ADI
|
HMC383LC4
HMC383LC4TR
|
中等功率放大器SMT,12 - 30 GHz
|
現貨
|
337
|
HMC383LC4應(ying)用
-
點對點無線電
-
點對多點無線電和VSAT
-
測試設備和傳感器
-
HMC混頻器LO驅動器
-
軍事和太空
HMC383LC4優勢和特點
-
增益: 15 dB
-
飽和輸出功率: +18 dBm
-
輸出IP3: +25 dBm
-
單正電源:
+5V (100 mA)
-
50 Ω匹配輸入/輸出
-
符合RoHS標準的4x4 mm封裝
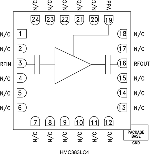
HMC383LC4結構圖
