HMC498LC4/HMC498LC4TR高技術性區域輸出功率圖像功率放大器 ADI現貨交易
公布時光(guang):2018-06-29 13:47:59 挑(tiao)選:2308
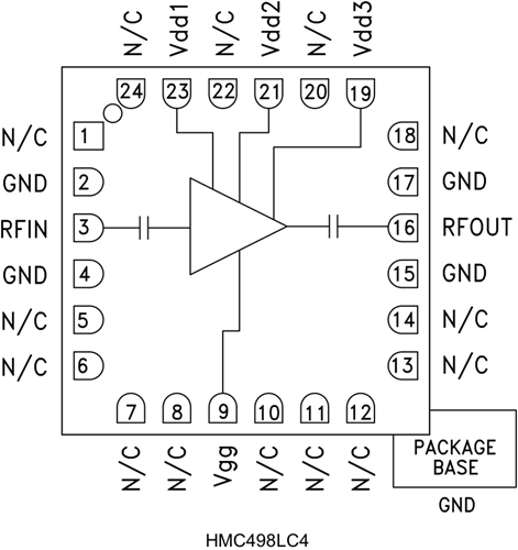
HMC498LC4有的是款高靜態范疇GaAs PHEMT MMIC適中打印輸出工作直流電壓調小器,進行無引腳“無鉛”SMT封裝。 該調小器更具17至24 GHz的做工作范疇,提供了22 dB增益值、+26 dBm供大于求打印輸出工作直流電壓和23% PAE(+5V電源適配器直流電壓)。 HMC498LC4噪音數值為4 dB,打印輸出IP3為+36 dBm(先進典型值),常用作低噪音前邊甚至驅動軟件調小器。 隔直RF I/O適配至50 Ω,選用更方便。 HMC498LC4不用辦理線焊,能選用表貼加工新技術。
|
品牌
|
型號
|
描述
|
貨期
|
庫存
|
|
ADI
|
HMC498LC4
HMC498LC4TR
|
中等功率放大器,采用SMT封裝,17 - 24 GHz
|
現貨
|
269
|
HMC498LC4應(ying)用軟件
-
點對點無線電
-
點對多點無線電和VSAT
-
測試設備和傳感器
-
軍用最終用途
HMC498LC4優勢和特點
-
輸出IP3: +36 dBm
-
飽和功率: +26 dBm (23% PAE)
-
增益: 22 dB
-
+5V(250 mA)電源
-
50 Ω匹配輸入/輸出
-
符合RoHS標準的4x4 mm SMT封裝
HMC498LC4結構圖
