HMC904LC5/HMC904LC5TR無線wifi電下定頻器 ADI期貨微商分銷商
披(pi)露日期(qi):2018-07-03 13:45:37 瀏覽網頁:2395
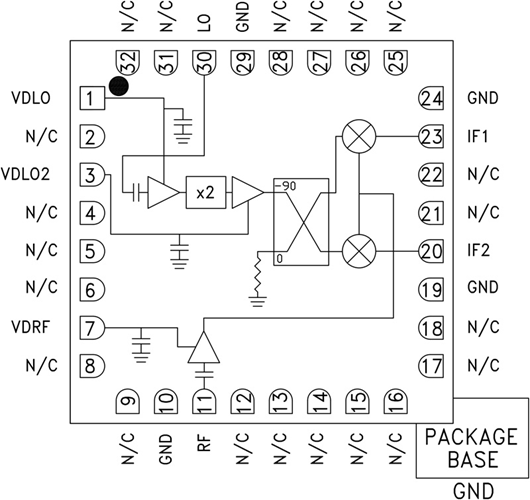
HMC904LC5都是款省油的suv型GaAs MMIC I/Q下調頻器,用到達到RoHS規范標準的無引腳SMT封裝。 該元器提高12 dB的小數據轉化成增益值、3 dB的噪音污染指數公式,并在頻段使用范圍內提高30 dB的鏡像文件軟件調節功效。 HMC904LC5用到LNA,后接由有源x2倍頻器驅動軟件的鏡像文件軟件調節混頻器。
該系統映射文件克制混頻器更加LNA過后不需要實用濾波器,并可清理系統映射文件幾率下的熱噪聲污染。 它享有I和Q混頻器導出,所須外部鏈接90°結合喂養型配件采用選所須邊帶。 HMC904LC5是結合喂養型系統映射文件克制混頻器下直流變頻器這一物件應用程序的全自動代換配件,兼容表貼造成技術應用。
|
品牌
|
型號
|
描述
|
貨期
|
庫存
|
|
ADI
|
HMC904LC5
HMC904LC5TR
|
GaAs MMIC I/Q下變頻器,17 - 24 GHz
|
現貨
|
105
|
選用
-
點到點和點對精確wifi電
-
軍工用聲納、EW和ELINT
HMC904LC5優勢和特點
-
轉換增益: 12 dB
-
鏡像抑制: 30 dB
-
2 LO至RF隔離: 45 dB
-
噪聲系數: 3 dB
-
輸入IP3: 0 dBm
-
32引腳5x5mm SMT封裝: 25mm2
HMC904LC5結構圖
