制造行業最新資訊
發布了周(zhou)期:2018-07-03 13:48:22 搜索:1993
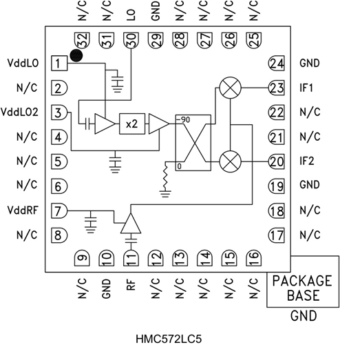
該鏡像抑制混頻器使得LNA之后無需使用濾波器,并可消除鏡像頻率下的熱噪聲。 它具有I和Q混頻器輸出,所需外部90°混合型器件用于選擇所需邊帶。立維創展 ADI現貨(huo)黃金(jin) HMC572LC5為混(hun)合型鏡像(xiang)抑制混(hun)頻器(qi)(qi)下(xia)變頻器(qi)(qi)組件的小型替代器(qi)(qi)件,它(ta)無需(xu)線(xian)焊(han),可以使用表貼制造技術。
| 品牌 | 型號 | 描述 | 貨期 | 庫存 |
| ADI |
HMC572LC5 HMC572LC5TR |
I/Q接收機,采用SMT封裝,24 - 28 GHz | 現貨 | 156 |
HMC572LC5優勢和特點
