職業信息資訊
披(pi)露時光(guang):2018-07-04 09:54:45 查看:7241
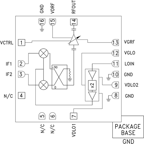
HMC6787ALC5A是一款緊湊型GaAs MMIC I/Q可變增益上變頻器,采用無引腳RoHS兼容型SMT封裝。 該器件提供11 dB小信號轉換增益,具有17 dBc邊帶抑制和13 dB增益控制。 HMC6787ALC5A采用RF可變增益放大器,在其之前為一個I/Q混頻器,LO由X2倍頻器驅動。 提供IF1和IF2混頻器輸入,并且可通過外部90°混合選擇所需邊帶。 I/Q混頻器拓撲降低了針對干擾邊帶進行濾波的要求。立維創展HMC6787ALC5A是一款更小(xiao)巧、可以代替混合(he)單邊(bian)帶上變(bian)頻器的產(chan)品,支持(chi)表貼制造(zao)技術,無(wu)需(xu)線焊。
| 品牌 | 型號 | 描述 | 貨期 | 庫存 |
| ADI |
HMC6787ALC5A HMC6787ALC5ATR |
GaAs MMIC I/Q上變頻器,37 - 40 GHz | 現貨 | 157 |
HMC6787ALC5A應用
HMC6787ALC5A優勢和特點
HMC6787ALC5A結構圖
