欧洲一区二区-欧美激情一区二区-国产激情在线-欧美在线一区二区

HMC785LP4E/HMC785LP4ETR無源MMIC混頻器 ADI現貨黃金 蜂窩整合LO拖動器

公布時刻:2018-07-05 10:33:34     閱讀:6849

HMC785LP4E是一款集成LO放大器的(de)(de)高動(dong)態(tai)范圍無(wu)源MMIC混頻(pin)(pin)器,采(cai)(cai)用4x4 SMT QFN封裝,工作頻(pin)(pin)率(lv)范圍為1.7至2.2 GHz。 LO驅動(dong)為0 dBm時(shi),3G和(he)4G GSM/CDMA應用具有+38 dBm的(de)(de)出(chu)色(se)輸(shu)入(ru)IP3下變頻(pin)(pin)性能(neng)。 采(cai)(cai)用1dB (+26 dBm)輸(shu)入(ru)壓縮時(shi),RF端口支持各種輸(shu)入(ru)信號電平。 轉換(huan)損耗(hao)為8 dB(典型值)。 高達300 MHz的(de)(de)IF頻(pin)(pin)率(lv)響應可滿足GSM/CDMA發(fa)射或(huo)接(jie)收頻(pin)(pin)率(lv)計劃(hua)(hua)要求。 立(li)維創展HMC785LP4E針對1.7 - 2.2 GHz RF頻(pin)(pin)段低(di)端LO頻(pin)(pin)率(lv)計劃(hua)(hua)進行了優化(hua),并與HMC685LP4E引腳兼容。

品牌 型號 描述 貨期 庫存
ADI HMC785LP4E
HMC785LP4ETR
集成LO放大器的BiCMOS混頻器,1.7 - 2.2 GHz 現貨 112


APP


  • 蜂窩/3G和LTE/WiMAX/4G
  • 基站和中繼器
  • GSM、CDMA和OFDM
  • 發射器和接收機




HMC785LP4E優勢和特點

  • 高輸入IP3: +38 dBm
  • 8 dB轉換損耗(0 dBm LO)
  • 針對低端LO輸入優化
  • 可調電源電流
  • 24引腳4x4mm QFN封裝: 16mm2


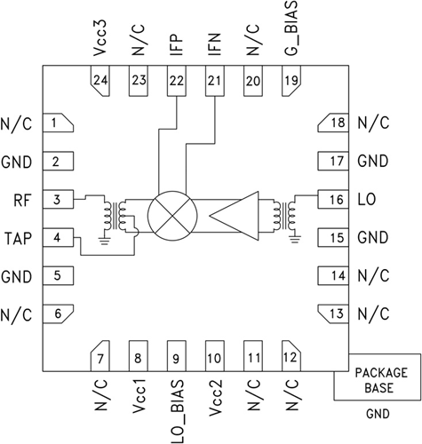
HMC785LP4E結構圖



介紹手游資訊
  • 關于THUNDERLINE-Z產品申明
    關于THUNDERLINE-Z產品申明 2020-10-14 15:54:05 杭州市立維創展科學技術不足裝修公司,是俄羅斯THUNDERLINE-Z & Fusite名牌在國內 的軟件授權渠道方式商,其金屬質安全玻璃密閉接線鼻子,已寬泛運用于航天部、軍事戰爭、網絡通訊等高可以信賴性領域。
  • ?ECLB75W-24S12隔離型 DC-DC 轉換器模塊現貨庫存
    ?ECLB75W-24S12隔離型 DC-DC 轉換器模塊現貨庫存 2025-08-18 16:37:02 ECLB75W-24S12 是 CINCON 上線的 ECLB75W 型號防曬隔離霜型 DC-DC 轉為器方案,電機額定內容輸送內容輸送 75W,復制粘貼電壓值 9 - 36VDC(4:1 寬規模),內容輸送 12V/6.25A(單路),有內容輸送要求±1%、常見學習效率 91%等根本產品規格,還應有健全完善的保護性裝置。