行業領域信息
推送周期:2018-07-05 10:41:08 觀看:2529
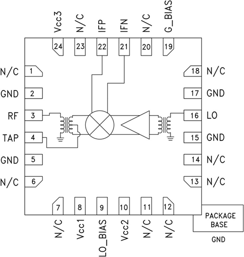
HMC786LP4E是一款集成LO放大器的高動態范圍無源MMIC混頻(pin)(pin)(pin)器,采(cai)用4x4 SMT QFN封裝,工作頻(pin)(pin)(pin)率(lv)范圍為0.7至(zhi)1.1 GHz。 LO驅動為0 dBm時,3G和(he)4G GSM/CDMA應用具有+40 dBm的(de)出色輸(shu)入(ru)(ru)IP3下變頻(pin)(pin)(pin)性能。 采(cai)用1dB (+25 dBm)輸(shu)入(ru)(ru)壓縮時,RF端口支持各種輸(shu)入(ru)(ru)信號電平。 轉換損耗為7.5 dB(典型值)。 高達250 MHz的(de)IF頻(pin)(pin)(pin)率(lv)響應可滿足GSM/CDMA發射或接收頻(pin)(pin)(pin)率(lv)計(ji)劃要求(qiu)。 立維創展HMC786LP4E針對(dui)0.7 - 1.1 GHz RF頻(pin)(pin)(pin)段高端LO頻(pin)(pin)(pin)率(lv)計(ji)劃進(jin)行(xing)了優化,并與HMC686LP4E引腳兼容。
| 品牌 | 型號 | 描述 | 貨期 | 庫存 |
| ADI |
HMC786LP4E HMC786LP4ETR |
集成LO放大器的BiCMOS混頻器,0.7 - 1.1 GHz | 現貨 | 105 |
HMC786LP4E應用(yong)
HMC786LP4E優勢和特點
